Australia’s National
Science Agency
Sydney – Marsfield &
Lindfield Site Visits
9 -10 July 2024
s22
19 July 2024
link to page 2 link to page 3 link to page 3 link to page 5 link to page 5 link to page 10 link to page 14
Contents
Contents
1
1
Introduction ........................................................................................................................ 2
2
Background ......................................................................................................................... 2
3
Summary of Observations .................................................................................................. 4
3.1
Marsfield (9 July 2024) ........................................................................................... 4
3.2
Lindfield (10 July 2024) .......................................................................................... 9
Appendices
13
CSIRO Australia’s National Science Agency
Sydney – Marsfield & Lindfield Site Visits
9 -10 July 2024 | 1

1
Introduction
The Sydney Consolidation Project (SCP) was approved via a New Policy Proposal in the 2018-19
budget. Across the years various options have been explored, however due to changing
organisational requirements Sydney consolidation project remains a work in progress.
This report details the observations made at the site visit to Marsfield and Lindfield in the context
of CSIRO’s decision to not relocate capacity to Bradfield, and desire to not extend the lease in
Eveleigh past December 2026, and the need to assess alternative solutions.
2
Background
CSIRO’s Sydney footprint is scattered across the city, with Marsfield and Lindfield located in the
North West.
Marsfield
Lindfield
CSIRO Australia’s National Science Agency
Sydney – Marsfield & Lindfield Site Visits
9 -10 July 2024 | 2
Data including staff numbers, area, number of desks, operating costs (ex. Utilities), and utilisation
for each site is presented below:
SITE
MARSFIELD
LINDFIELD
WESTMEAD
EVELEIGH
Building Area
12,752 m2
11,248 m2
1852.50 m2
5917.40 m2
(excludes hospital)
Staff (inc.
Affiliates)
645
180
70
341
Operating Cost
(rent/outgoings)
(23/24)
s22
Opex per person
Opex per m2
Utilisation (with
and without
16% - 47%
56% - 64%
25% - 30%
24% - 32%
affiliates)
Analysis
Marsfield has both the largest building area (that CSIRO occupies) and staff numbers, yet has the
lowest cost per square metre and cost per person.
Lindfield is the most highly attended site, noting its relatively small staff numbers.
Everleigh and Westmead are both poorly attended and costly, both in terms of space and per staff
member. It is worth noting that ET has agreed to exit from Eveleigh by December 2026.
Changes to H&B’s science profile, now mean that Westmead is surplus to requirement. However,
noting the constraints on space in Sydney with the exit from Eveleigh, and the likely exit of ES staff
in the near term from Lindfield it may be prudent to hold onto Westmead as overflow for desk-
based workers. However, due to the high-cost exiting the site should stil be considered.
Marsfield remains the best value for money, noting significant capital investment will be required
to improve the fabric of the site. Additional investment for the implementation of Activity Based
Working ABW) in the main building of Marsfield in the short term wil enable staff to be relocated
from Lindfield and Eveleigh (and potential y Westmead), making economic sense. Additional staff
to the Marsfield site would improve vibrancy and cohesion.
CSIRO Australia’s National Science Agency
Sydney – Marsfield & Lindfield Site Visits
9 -10 July 2024 | 3
3
Summary of Observations
The fol owing observations were recorded during our visit to the sites on the 9th and 10th of July
2024.
3.1
Marsfield (9 July 2024)
• Marsfield site 2120 is under CSIRO Title, and is primarily occupied by S&A, fol owed by Data 61,
total ing 645 staff, and comprising of 7.315Ha of land.
• The majority of buildings on site were constructed between 1968 – 1995.
• Overall, it is an ageing, and sprawling site with a variety of building types including numerous
sheds and ‘dongas’ including four used for accommodation by S&A.
CSIRO Australia’s National Science Agency
Sydney – Marsfield & Lindfield Site Visits
9 -10 July 2024 | 4
• Surrounded by bushland on one side, and adjacent to a residential area the site has over 20
buildings, with the majority consolidated at the north-west section of the site adjacent to the
reserve. The site has plentiful large areas of open space that would be conducive to a new build
or potential sale for development.
• Generally, extremely low site attendance at 16%, significantly below the CSIRO average of 39%.
When affiliates are included site attendance increased dramatically to 47% well above the
average.
• The ‘main’ building 001 centres around an open courtyard providing a lovely aspect from
internally facing windows and the gardens and tree canopy make it an attractive space for
sitting.
• Marsfield has a large café space and a covered pergola, yet it is serviced by a limited and poorly
attended café.
• The site includes a gym, and ample carparking.
• Within the main building 001 itself it is a combination of older laboratory, workshop, and office
space. Workstations are in a ‘traditional’ office style, either in shared offices or in cubicles with
high partitions in larger spaces.
• There is no evidence of bookable workstations at Marsfield.
• The floorplate is moderate with the layout taking the form of a series of large corridors rather
than a large open floorplate.
• Many of the workstations appear to be un-allocated. They are old large fixed height desks, with
ample storage - personal filing cabinets and bookshelves.
• Access by public transport is limited. The Macquarie Park Metro Station is a 14 minute walk from
Marsfield. Six bus lines stop near Marsfield, with the nearest bus stop a 6 minute walk.
• Numerous spaces are underutilised, used as ad hoc storage of old equipment. There is
significant opportunity to capitalise surplus or underutilised space by repurposing it.
• Building 001 would benefit from a refurbishment; the main area adjacent to the reception is
suitable for ABW.
• There is significant capacity at Marsfield in the present buildings to accommodate displayed
desk-based staff in an ABW style fit out.
• Additional investigation is required to accurately identify the current occupancy of each office
and lab, as well as to assess the appropriateness of the current facilities to accommodate
additional laboratories or workshops.
• Additional investment is required at the site. Minor in terms of refit of main building 001 into
ABW space. Significant if new laboratory spaces are to be accommodated.
• Overall the real benefit of the site is its potential for a new purpose-built science building on the
vacant land, a knock-down rebuild on the current site (noting the impact of displaced staff),
and/or the sale of a portion of land for residential development.
• Leases from CSIRO:
– Substation 2492 - Ausgrid - expires 31 December 2038
– Canteen -Building 002 - Synchrony Australia Pty Ltd - expires 13 July 2025
CSIRO Australia’s National Science Agency
Sydney – Marsfield & Lindfield Site Visits
9 -10 July 2024 | 5
– Building 001C - 21.14m2 - SKAO - expires 30 June 2027
– Building 001K - 17.85m2 - Energy OS Pty Ltd - expires 30 September 2024
– Building 001M - 343.55m2 - Quasar Satellite Technologies - expires 14 June 2024
CSIRO Australia’s National Science Agency
Sydney – Marsfield & Lindfield Site Visits
9 -10 July 2024 | 6
Images – Taken throughout the day on Monday 9 July between 10am and 12pm.
CSIRO Australia’s National Science Agency
Sydney – Marsfield & Lindfield Site Visits
9 -10 July 2024 | 7
CSIRO Australia’s National Science Agency
Sydney – Marsfield & Lindfield Site Visits
9 -10 July 2024 | 8

3.2
Lindfield (10 July 2024)
• Lindfield site 2160 is currently under CSIRO Title, however due to a Board decision the title wil
be transferred to the Department (and NMI) and CSIRO if we decide to remain onsite wil
become a tenant.
• Lindfield is 7.5 kilometres from Marsfield a 14 minute drive.
• The site is primarily occupied by Manufacturing, Energy, and Minerals.
• Currently there are a total of 180 people assigned to the site. Site attendance is high. It is the 6th
highest attended site across the CSIRO portfolio with 56% well above the CSIRO average of 39%.
• The main Lindfield building is perched on top of a grassy hil , with the facility constructed in
1977 of brick. Originally designed for sensitive science work, the foundations are embedded
deep into the bedrock, plant situated in the basement and fed up through internal corridors, and
gold filmed windows creating a faraday cage within the main complex.
• The main drive takes you through a now open gated entrance, along a sweeping driveway
before delivering you under the porte cochere.
CSIRO Australia’s National Science Agency
Sydney – Marsfield & Lindfield Site Visits
9 -10 July 2024 | 9
• Situated on 20.49Ha, the site has ample parking, abundant greenspace, with art nestled across
the landscape, all surrounded by bushland.
• The entire Lindfield complex is comprised of XX buildings, with the main laboratory and office
space in Blocks B, C and D (additional smaller space in Blocks K and J), primary workshop space
in Block N, the newly created HIVE ABW space in Block A2.
• In terms of amenities: Lindfield has a large wel attended cafeteria that services the entire
building and acts as a gathering point / community hub, the site also has a recreation/gym room
for CSIRO staff use.
• CSIRO shares the Lindfield site with primary tenants NMI, and additional smaller tenants
through the Lindfield Col aboration Hub (funded until 2025).
• Block A2 has recently (late 2023) been converted into a beautiful ABW space - the HIVE,
including 6 meeting rooms, amenities and lockers. This space is poorly attended with a handful
of people using the 50-workstation space per day.
• Blocks C, B and D are a combination of laboratory space running on the internal side of the
corridor and office space (predominately single or double occupied offices) on the window side
of the corridor. These blocks are two level (with the exception of D which also contains a
200sqm basement laboratory).
• Block K & J are smaller in nature but predominately consist of the same layout – laboratory on
one side, office on the other.
• Block N houses the workshop, CSIRO run stores, and additional laboratories.
• Overall, the site is underutilised by CSIRO. A handful of laboratories are vacant. Many offices are
assigned to staff but appear vacant.
• The Lindfield Col aboration Hub in Block C is far from capacity, with only 1-2 tenants remaining.
• A significant portion of CSIRO occupied space, largely office space, could be released for other
uses.
• Overall, it is an ageing, and sprawling site with a number of individual offices, and in need of
considerable backlog maintenance.
• Lindfield houses key research infrastructure that is either critical to our science operations or
difficult to move. Further detail can be found in the following summary prepared for ET
Science
Capability at Lindfield - Final.xlsx
• Staff are very attached to the site and would prefer not to be relocated as most have recently
been relocated from North Ryde.
• A separate piece of work is underway looking at CSIRO’s future presence on the site, fol owing
the transfer of title to the Department (NMI).
• Leases from CSIRO:
– Building: Various - National Measurement Institute - Year to year occupancy
– Building 003: 122.23m2 - Community Cafe Group Pty Ltd - expires 14 January 2027
– Building 005: 135.64m2 - Movandi Sydney Pty Ltd - expires 17 December 2024
– Building 005: 26.4m2 - Kimiya Pty Ltd - expires 20 December 2024
– Building 005: 13m2 - Remy Therapeutics Pty Ltd - expires 5 February 2025
CSIRO Australia’s National Science Agency
Sydney – Marsfield & Lindfield Site Visits
9 -10 July 2024 | 10

– Building 006: 168.97m2 - Macquarie University - expires 30 August 2025
– Building 006: 17.47m2 - Aperture Team Pty Ltd - expires 3 January 2025
– Building 014: 1 x workstation - Black Dog Electrics - expires 23 May 2025
– Building 014: 1 x workstation - All Shores Plumbing - expires 16 May 2025
– Building 014: 1 x workstation - Aloxitec Pty Ltd - expires 31 December 2024
– Building 014: 25m2 - Boson Engineering Pty Ltd - expires 11 October 2024
– Building 014: 25m2 - GeoEye Pty Ltd - expires 20 September 2024
– Carpark: 20m2 - Appen Limited - expires 19 November 2024
– Substation - Ausgrid - expires 31 December 2035
– Land: 2m2 plus space on Bldg 004 and Room 361 - Geoscience Australia - expires 31
December 2025
Images
CSIRO Australia’s National Science Agency
Sydney – Marsfield & Lindfield Site Visits
9 -10 July 2024 | 11
CSIRO Australia’s National Science Agency
Sydney – Marsfield & Lindfield Site Visits
9 -10 July 2024 | 12

Appendices
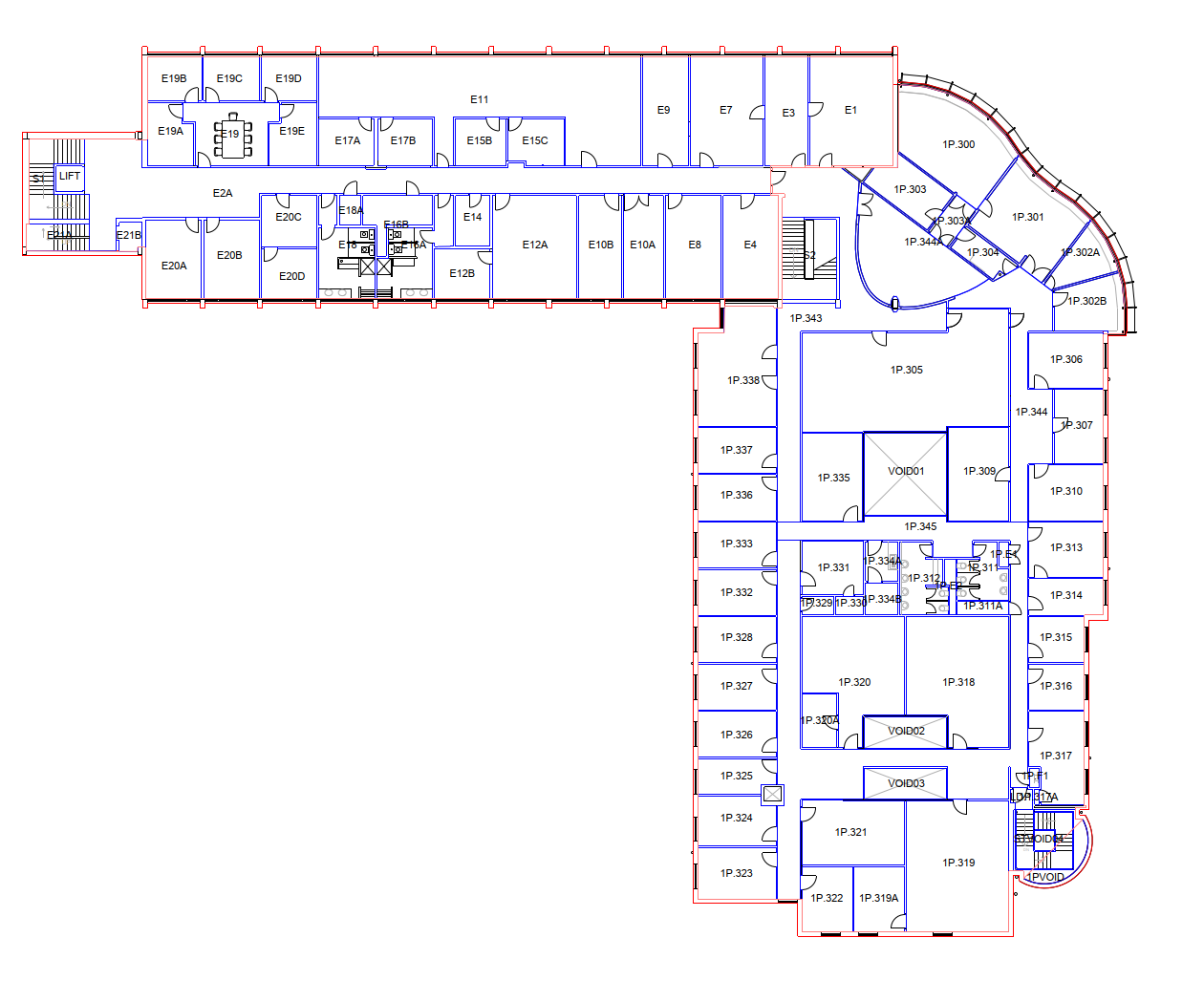
APPENDIX A – SITE PLANS FOR MARSFEILD
BUILDING 1 GROUND FLOOR
CSIRO Australia’s National Science Agency
Sydney – Marsfield & Lindfield Site Visits
9 -10 July 2024 | 13
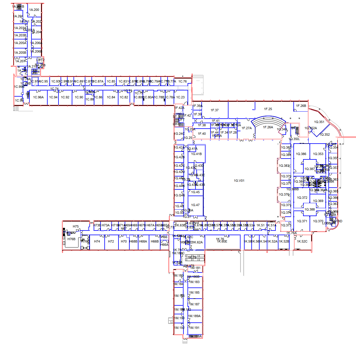
BUILDING 1 LEVEL 1
CSIRO Australia’s National Science Agency
Sydney – Marsfield & Lindfield Site Visits
9 -10 July 2024 | 14
APPENDIX B – EVELEIGH & WESTMEAD LOCATION DETAILS
Eveleigh, site 2700, leased levels 3,4 & 5, 5917 GFA
Westmead, location 2840, leased 1,852.50 NLA. Hospital component location 2841, leased level
3, 332 GFA
CSIRO Australia’s National Science Agency
Sydney – Marsfield & Lindfield Site Visits
9 -10 July 2024 | 15
As Australia’s national science agency and
innovation catalyst, CSIRO is solving the
greatest chal enges through innovative
science and technology.
CSIRO. Unlocking a better future for everyone.
CSIRO Australia’s National Science Agency
Sydney – Marsfield & Lindfield Site Visits
9 -10 July 2024 | 16

Executive Team Minutes
ET 152
s22
s22
s22
CSIRO Australia’s National Science Agency
1
ET 153
s22
s22
CSIRO Australia’s National Science Agency
2
ET 161 (noting minutes for ET 161 are draft - to be approved at ET 162 23-24 July)
s22
s22
s22
s22
CSIRO Australia’s National Science Agency
3
Memorandum to the CSIRO Executive Team
ET Meeting No: 152
Date: 6-7 August 2024
Agenda Item: 2.3
Subject:
Property Strategy progress update and forward planning (Property
Implementation Plan 2024-25); and update regarding Eveleigh in
Sydney Consolidation context
Author:
s22
Director A/g, CBIS
Sponsor:
s22
Chief Operating Officer
Action for ET:
Decision Discussion
Information
Purpose
The purpose of this paper is to:
• Provide reporting on the 2023-24 delivery of the 2019-29 Property Strategy;
• Seek ET endorsement for the 2024-25 Property Implementation Plan (PIP);
• Sek ET endorsement for the 2023-24 update and 2024-25 PIP to be presented to the Board; and
• Provide an update regarding Eveleigh, NSW utilisation, and capability in the context of Sydney
Consolidation program.
Background
The 2019-29 Property Strategy (
Strategy) was approved by Board in August 2019. Since then, progress
against, and changes to the Strategy, have been reported and approved twice yearly to the Executive Team
and Board as variations against the Annual Property Implementation Plan (
PIP), submitted for approval at
the beginning of each financial year.
In October 2023, ET requested CBIS to investigate opportunities for additional consolidation of our property
footprint (ET 145) and on 14 March 2024 (Weekly), these opportunities were presented to ET as Lean (28
site) and Ambitious (20 site) scenarios. It was acknowledged that determining further property consolidations
whilst concurrent activities around research prioritisation presented significant risk. Accordingly, CBIS was
requested to provide a list of “no regrets” opportunities which could be undertaken concurrently with
Research and Enabling Infrastructure Planning and would present minimal impact to potential future
research priority shifts. A list of these initiatives was endorsed by ET (ET 149 and addendum on 16 April 2024
(Weekly)) and are included in the 2024-25 PIP, subject to some changes proposed in this paper.
Since April 2024, there has been significant movement within the Sydney Consolidation program; namely the
decision to withdraw from the Bradfield (Aerotropolis) proposal, as well as the Board resolution to transfer
title of the Lindfield site to the Department of Industry, Science and Resources (
DISR). Accordingly, this paper
considers proposed movements related to our Sydney sites (including pausing any decision to exit Westmead
until consultation across all Sydney sites is completed) and provides an update regarding Eveleigh capability
and people, as requested at ET 150.
Current Situation / Update
ET 152 Item 2.3 Property Strategy and FY25 PIP Update
Page 1 of 5
Key achievements against the Strategy during 2023-24
Significant progress has been made during the reporting period against the Strategy and PIP:
• s22
Key updates / changes to strategy during 2023-24
Several key pivots to the strategy were undertaken during the reporting period, including:
• s22
ET 152 Item 2.3 Property Strategy and FY25 PIP Update
Page 2 of 5
s22
Data col ection and Performance
Accurate data is a necessity for informing the annual PIP and considerable progress has been made on filling
the data gaps that were originally identified in the Strategy, namely:
•
Utilisation Data of Existing Properties – In the last 12 months attendance at key sites has plateaued at
39% on average across the portfolio. Sites with a predominantly office-based environment trend lower
than this. As we implement ABW across key sites, there is opportunity to consider the reduction of our
significantly underutilised gross office space across the portfolio. We aim to track ABW space
performance in future.
•
Condition of Facilities and Built Assets – In FY25 we will review and update CSIRO’s building plans
for owned sites to ensure a consistent high-quality standard. This will include a data capture exercise,
which will look at the CBIS fixed asset portfolio and report on the condition and replacement cost of the
portfolio. The attribution of this data will inform our deferred maintenance backlog and provide
clarification about the cost associated with our preventative maintenance budget requirements. This
will enhance our Strategic Asset Management system (SAMs), the key repository for all building and
asset management documentation, enabling accurate programming of works, asset upgrades, and
replacements.
•
Sustainability Strategy, Energy Performance, Emissions Reduction of Facilities – To date CSIRO has
invested in a program of Net Zero Emissions projects ($4.76M planned in FY25) to improve the energy
efficiency of existing base-building plant and equipment, increase renewable energy generation,
improve building controls, and electrify remaining gas heating and domestic hot water plant and
equipment. Work is underway to improve infrastructure for the measurement and monitoring of water
consumption, and our waste management and resource recovery. An increased focus on sustainable
procurement, in alignment with the Government’s new Environmentally Sustainable Procurement
Policy, as well as climate risk and opportunity management will be priorities for FY25. Our Sustainability
Strategy and Report provide more information.
Metrics Reporting
Updated metrics are summarised below.
Metrics (net)
During 2023-24
Strategy Total (since 2019-20)
Gross Floor Area
- 9,223m2 (-1.4%)
- 78,959 m2 (-12.1%)
Site Area*
- 39,668m2 (- 0.0%)
+ 555,465 m2 (+0.8%)
Operating Costs+
- $0.39m (-0.5%)
- $23.33 m (-32.3%)
Property Emissions#
- 2.05 kt CO2 (-1.9%)
- 10.8 kt CO2 (-10%)
* Increase in site area due to the purchase of the Forest Hill site.
+ Operating cost reductions figures are based on 2021-22 actual costs.
# Emissions data is based on direct property footprint reduction only. Refer to Sustainability Report 2023-
24 for final results.
Further information regarding our progress against the PIP Divestment Program is presented at
Attachment
1.
ET 152 Item 2.3 Property Strategy and FY25 PIP Update
Page 3 of 5
Proposal
Property Implementation Plan 2024-25
CBIS reviews the Property Strategy annually, ahead of preparation of the PIP informed by stakeholder
engagement with RUs, and the ongoing consideration of the long-term trends affecting the fitness for
purposes of sites, including utilisation, costs, environmental performance, physical condition, compliance, as
well as other issues like security, information technology, health and safety, and co-location opportunities
with key partners or collaborators.
The proposed PIP 2024-25 is at
Attachment B and contains details of proposed works (funded and unfunded),
in alignment with the Strategic Property Priorities. A summary of the “no regrets” initiatives included in the
PIP 2024-25 is below:
1. s22
2. s22
3. s22
4. s22
Sydney Consolidation - Eveleigh Update
At ET150, in-principle advice was provided by ET that retaining Eveleigh at its current size and rental was not
financially sustainable, and given the utilisation, was also not a research-critical site.
Eveleigh is a commercially leased office building, accommodating 336 total staff and affiliates in
approximately 5,917m2 across three levels. The total annual cost to CSIRO for the site is ~$5.4M. The
occupants of the site undertake exclusively desk-based research, with some bespoke Data61 areas
(collaboration space and demonstration lab) which are also underutilised. The site is poorly attended with
only 15% utilisation rate over the past 12 months rendering the site non-viable. This data is supported by
periodic physical inspections by our facilities team.
At ET 150 there was an action (ET 150.2.5.2) on CBIS to provide more detail around usage of the site. Of the
15% utilisation a further breakdown is provided in the following table:
ET 152 Item 2.3 Property Strategy and FY25 PIP Update
Page 4 of 5
Group
Site Headcount
Average Daily Site Attendance
(% of Site Total)
(% of Group’s Site Headcount)
Primary RU (Data61)
102 (30%)
19 (18 %)
Other RUs / ES
133 (40%)
24 (18 %)
Affiliates
101 (30%)
8 (8 %)
SITE TOTAL
336
51 (15%)
The current lease expires June 2026 at which time it is proposed to exit the site, subject to staff consultation
as required under CSIRO’s Enterprise Agreement. A further 10-year lease extension of the current floorspace
will incur operating expenses in the order of approx. $67M (escalated).
In anticipation of returning to ET in September, CBIS is currently undertaking a discreet market sounding
process to determine the capability of the market to accommodate our current Sydney footprint, including
approaching developers to explore greenfield opportunities, noting that any such solution would be several
years from being available. Accordingly, interim solutions, including investment at Marsfield, will likely be
necessary (note that 2018 NPP Property Plan currently has Marsfield approved for divestment to fund ACDP
Part Life Refit and Sydney Consolidation, this would need to be updated).
Noting a desire to retain some office space in the Sydney CBD, the next paper will provide more sustainable
alternatives to retaining the Eveleigh space.
Finance
CBIS continues to manage competing demands on both opex and capex funding to deliver the initiatives
approved under the Property Strategy and annual PIPs as well as site infrastructure anticipated in approved
RU Strategies, ‘new’ projects, equipment, as well as maintaining existing facilities and undertaking
programmed maintenance of existing sites and assets. CBIS has requested (not approved) sufficient budget
to deliver specific items listed in our PIP for FY25.
CBIS continues to work with CSIRO Finance to ensure budgets support CSIRO’s ongoing priorities, balancing
ES reform and infrastructure requirements. CBIS recently provided CSIRO Finance with historical and
anticipated future cashflow updates associated with NPP funded property priorities to inform future
decisions and budget requirements. In FY25, CBIS will work with CSIRO Finance to re-baseline operating
budgets and address historical gaps.
Recommendation
That ET:
• Note the update on the delivery of the 2019-29 Property Strategy and the PIP 2023-24.
• Endorse the proposed PIP 2024-25 and note the budget requested to deliver the initiatives therein.
• Endorse the update on delivery of the 2019-29 Property Strategy and the endorsed
PIP 2024-25 to be presented to the Board (
Attachment 3).
• Note the additional information provided on the Eveleigh site as requested at ET150.
s22
Chief Operating Officer
Attachments
Attachment 1
Property Implementation Plan (Divestment Program)
Attachment 2
Property Implementation Plan (2024-25)
Attachment 3
Proposed Board Paper
ET 152 Item 2.3 Property Strategy and FY25 PIP Update
Page 5 of 5
Memorandum to the CSIRO Board
Board Meeting: 245
Date: 29 August 2024 Agenda Item:
Title
Update on 2019-29 Property Strategy and 2024-25 Annual Property
Implementation Plan
The purpose of this paper is to provide the Board with an update on the
2019-29 Property Strategy and to seek endorsement for the 2024-25
Purpose
Annual Property Implementation Plan.
☒ For Decision ☐ For Discussion ☐ For Noting
The Board:
Proposed Resolution
a. noted the updates to the 2019-29 Property Strategy.
b. Endorsed the 2024-25 Property Implementation Plan.
Budget
N/A
Strategic Fit
Ensure the sustainability of CSIRO and manage national research
infrastructure for the nation.
Proposer
s22
Accountable Executive
s22
Approvals Required
No
Attendees
s22
1. Executive Summary
The 2019-29 Property Strategy (
Strategy) was approved by Board in August 2019. Since then, progress
against, and changes to the Strategy have been reported and approved twice yearly to the Executive Team
and the Board as variations against the Annual Property Implementation Plan (
PIP), submitted for approval
at the beginning of each financial year. Although changes have occurred, including a mid-point review
endorsed by ET at the 14 March 2024 meeting, the Strategic Priorities, upon which the PIP has been
developed and updated, remain constant.
This paper provides progress against the Property Strategy in 2023-24 and our priorities for 2024-25, as
articulated in the PIP and the Divestment Program (
Attachment 1), which articulates planned divestments as
well as those under investigation.
2. What is the situation, issue, chal enge or opportunity?
The current Strategy aims to deliver a 39-site portfolio by the end of the decade (assuming no new sites),
down from 56 sites in 2019. This aligns with CSIRO’s goals for organisational sustainability and Board-
approved Net Zero targets. The aim of the Strategy and PIP is to encourage an innovative working
environment for our people, customers, and stakeholders. Furthermore, the activities align with our strategic
objectives under the 2023-24 Corporate Plan.
Key achievements and progress to date
CSIRO continues to achieve against the strategic property priorities detailed in the Strategy. Developments
since the previous Board update (Board 243) in April 2024 include:
•
Commencement of the “no regrets” divestment and investment opportunities, which aims to
implement divestment investment opportunities which could be undertaken concurrently with Research
and Enabling Infrastructure Planning and would present minimal impact to potential future research
priority shifts. A list of these initiatives was endorsed by ET (ET 149 and addendum on 16 April 2024) and
are included in the PIP (
Attachment 1).
•
Revised Sydney presence – following extensive consideration, feasibility assessment, and work with the
Western Parkland City Authority (WPCA), ET determined that consolidation to Bradfield was no longer
feasible for CSIRO (ET150). In addition, the title of Lindfield will be transferred to DISR (Board 244). Work
continues to investigate options under the Sydney consolidation program.
•
Divestments of our Atherton (QLD) and Parkville (partial, VIC) sites resulting in a reduction of 9,000m2
and 2,000 tons of CO2 emissions. Divestment planning continues bolstered by the “no regrets” approach
for other key sites (
Attachment 2). Impact to metrics as a result of the divestments noted above, as well
as three smaller locations, are as follows:
Metrics (net)
During 2023-24
Strategy Total (since 2019-20)
Gross Floor Area
- 9,223m2 (-1.4%)
- 78,959 m2 (-12.1%)
Site Area*
- 39,668m2 (- 0.0%)
+ 555,465 m2 (+0.8%)
Operating Costs+
- $0.39m (-0.5%)
- $23.33 m (-32.3%)
Property Emissions#
- 2.05 kt CO2 (-1.9%)
- 10.8 kt CO2 (-10%)
* Increase in site area due to the purchase of the Forest Hil site.
+ Operating cost reductions figures are based on 2021-22 actual costs.
# Emissions data is based on direct property footprint reduction only. Refer to Sustainability Report 2023-24 for final results.
•
Sustainability – continued investment in Net Zero Emissions projects, to improve the energy efficiency
of existing base-building plant and equipment, increase renewable energy generation, improve building
controls, and electrify remaining gas heating and domestic hot water plant and equipment. Work is
underway to improve infrastructure for the measurement and monitoring of water consumption, as
well as our waste management and resource recovery. An increased focus on sustainable procurement,
in alignment with the Government’s new Environmentally Sustainable Procurement Policy, as well as
climate risk and opportunity management will be priorities for FY25. Our Sustainability Strategy and
Report provide more information.
• s22
• s22
•
Utilisation Data of Existing Properties – Attendance at key sites has general y increased since the Covid-
19 pandemic. However, in the last 12 months has plateaued at 39% across the portfolio. Sites with a
predominantly office based environment, trend even less. As we implement ABW across key sites facing
pressures, there is ample opportunity to consider the reduction of our gross office space across the
portfolio, which is significantly underutilised. We aim to track ABW space performance in future.
•
Condition of Facilities and Built Assets – work is underway in FY25 to review and update CSIRO’s building
plans for owned sites to ensure a consistent high-quality standard. This body of work will also include a
data capture exercise, which will look at the CBIS fixed asset portfolio and report on the condition and
replacement cost of the portfolio. The attribution of this data will inform our deferred maintenance
backlog and provide clarification about the cost associated with our preventative maintenance budget
requirements. This wil enhance our Strategic Asset Management system (SAMs), the key repository for
all building and asset management documentation, enabling accurate programming of works, asset
upgrades, and replacements.
Property Implementation Plan 2024-25
CBIS reviews the Property Strategy annually, ahead of preparation of the PIP informed by; stakeholder
engagement with Research Units, and the ongoing consideration of the long-term trends affecting the fitness
for purposes of sites. Including utilisation, costs, environmental performance, physical condition, compliance,
as well as other issues like security, information technology, health and safety, and co-location opportunities
with key partners or collaborators.
The proposed PIP 2024-25 is at
Attachment 1 and contains details of proposed works (funded and unfunded),
in alignment with the Strategic Property Priorities and our strategic objectives under the 2023-24 Corporate
Plan.
Key areas of the PIP 2024-25 are detailed below:
• s22
• s22
• s22
• s22
• s22
3. Previous Board Consideration
Summarise any previous board consideration and decisions for the specific proposal and key issues raised by
the Board and how they have been addressed.
Previous
Decisions and key issues raised by the Board &/or Committee and how they have
Consideration
been addressed
by Board &/or
Committee
Board 243
A3.4 The Board noted the update on the progress of the 2019-29 Property Strategy
April 2024
and additional work undertaken to identify additional opportunities.
The Board considered and approved the additional funding for the P3 project in
Perth.
The Board discussed the update with the team. The fol owing was noted from the
discussion:
-
An update wil be provided to the Board on the future plan for Sydney site
consolidation in the near term.
-
CBIS is undertaking a review of implementation to date of the 2019-2029
Property Strategy to test whether the 2029 objectives remain valid. A
range of options are being considered, including a more dramatic reduction
in sites. This work wil be incorporated into the Research Infrastructure
planning (one of the three strategic priorities agreed at the Board Strategy
Day) being led by s22
to ensure our
physical and digital infrastructure is aligned with research priorities.
ACTION: The Board asked for information on distribution of staff across sites and
Research Units in Sydney, and summary of achievements against agreed
objectives and KPI since the approval of the Property Strategy.
4. What do we need to do or decide?
It is recommended that the Board:
a. note the progress updates against the 2019-29 Property Strategy, including key metrics.
b. endorse the 2024-25 Property Implementation Plan.
Accountable Executives:
s22
s22
CSIRO Chief Executive
Chief Operating Officer
Attachments
Attachment 1
2024-25 Property Implementation Plan
Attachment 2
Sydney Staff Distribution by Function and Site
Attachment 2 – Sydney Staff / RU Distribution
December 2023 Staff Distribution – CSOF only (ex. Affiliates)
Sites
s
ht
LY)
d
d
eig
yde
h
ea
ON
Units
fiel
field
R
rs
eig
tm
es
(CSOF
- Lind
- Ma
- Lucas H
- North
- Evel
- W
60
20
40
90
00
40
ALS
20
21
22
22
27
28
TOT
RU - AAHL
0
RU - Agriculture & Food
1
1
1
1
4
RU - Data 61
1
65
99
165
RU - Energy
10
10
RU - Environment
1
8
4
13
RU - Health & Biosecurity
1
1
50
52
RU - Manufacturing
64
64
RU - Minerals
8
26
34
RU - NCMI
4
4
RU - Space & Astronomy
122
122
RU - Science Connect
1
13
34
48
RU - TOTAL
86
189
35
13 142
51
516
ES - IMT
27
4
2
14
47
ES - CBIS
11
3
7
21
ES - Governance
1
2
3
ES - Finance
14
5
19
ES - Corporate Affairs
1
5
11
1
18
ES - Science Impact / Policy
1
1
2
4
ES - HSE
1
1
1
3
ES - People
11
1
12
ES - Strategy
1
5
6
ES - Growth
4
10
2
23
2
41
ES - Executive
1
1
1
3
ES - Chief of Staff
1
1
ES - Chief Scientist
1
4
5
ES - Digital Office
1
1
2
ES - TOTAL
58
42
6
0
73
6
185
GRAND TOTAL
144
231
41
13 215
57
701
Memorandum to the CSIRO Executive Team
ET Meeting No: 153
Date: 17 September 2024
Agenda Item: 4.1
Subject:
Update on Sydney Consolidation Options
Author:
s22
Director A/g, CBIS
Sponsor:
s22
Chief Operating Officer
Action for ET:
Decision Discussion
Information
Purpose
The purpose of this paper is to:
• Provide an update to the Executive Team regarding available Sydney Consolidation
options, including the results of a recent market sounding exercise.
• Seek in principle endorsement for the recommended option, being refurbishment and an
eventual new build at CSIRO’s Marsfield site, subject to staff consultation in line with
CSIRO’s Enterprise Agreement.
• Seek endorsement for CBIS to proceed with next steps, including development of a full
business case for the proposal, as wel as progressing updates to the current NPP.
Background
At ET150 (May 2024), several options for Sydney Consolidation were presented to the ET. While the
decision to withdraw from the Bradfield proposal was made (any ongoing Infratech requirement for
a fire test facility to be considered by ET separately), a preferred alternative option was not agreed.
The most feasible option identified is for consolidation to Marsfield “
with a retained reduced
presence at Lindfield and Eveleigh or at Lindfield only, exiting the Eveleigh lease.” CBIS were tasked
to revisit greenfield opportunities with assistance from commercial specialists. Shortly after, the
CSIRO Board resolved to transfer title of the Lindfield site to the Department of Industry, Science
s22
At ET152 (August 2024), following provision of additional detail around usage of the Eveleigh site,
ET resolved “
to exit Eveleigh, subject to consultation with staff, and explore reducing footprint, if
possible, prior to the end of lease in June 2026 (including potential sub-leasing)”. That consultation
is expected to commence in September 2025, including Ministerial notification in the first instance
in accordance with the Statement of Expectations.
s22
ET 153 Item 4.1 Update on Sydney Consolidations Options
Page 1 of 6
s22
s22
Current Situation / Update
In further exploring Sydney Consolidation options, a discreet market sounding was undertaken by
CBRE to explore opportunities for the rationalisation, consolidation and or relocation of CSIRO’s
Sydney footprint. The market analysis included considerations of our current sites, potential to lease
sites, and the identification of potential greenfield and brownfield sites within a 25km radius of the
Sydney CBD, with a focus on sites that best meet CSIRO’s specific requirements, including
commercial and science focussed precincts.
The market analysis strategy was driven by key factors such as staff retention, bespoke nature of
facilities required, commercial appetite, capital financial constraints (minimal CAPEX limiting new
build options versus committed OPEX more appropriate for lease arrangements), and capacity as
wel as the prevailing market conditions, including increasing construction and materials costs and
the increased pressure for residential development in Sydney.
Preferred Option – Marsfield Investment
The options and risk assessment determined that ultimately the redevelopment of one or both of
the Commonwealth owned existing sites (Marsfield and Lindfield) is likely to be the most viable
option s22
.
CBRE identified opportunities for sale / redevelopment at Marsfield due to its proximity to
Macquarie University, and the extent of mooted residential supply in the Marsfield area making it
ET 153 Item 4.1 Update on Sydney Consolidation Options
Page 2 of 6
an attractive option for developers as residential density continues to evolve. Subdivision, and
subsequent partial divestment of the site could also be considered in order to partially fund CSIRO’s
own development on the site, as wel as increase the vibrancy via third party development
opportunities (residential / commercial).
Whilst the preferred option is to invest at our existing sites, a key limiting factor is the availability of
CAPEX for both a new build, and for the likely substantial retrofitting of any leased space to make it
appropriate for laboratory use. The proposal to relocate, consolidate or remain at Marsfield, and
engage a developer for a Build-To-Suit (BtS) or Build-To-Rent (BtR) solution, will ameliorate this issue
and deliver CSIRO with the facilities needed, within a shorter period, delivering better value for
money. Development on CSIRO’s owned site (Crown land) would also provide the benefit of not
being constrained by the requirement for planning approvals which would require additional cost
and time investment.
Observations from a recent site visit to Marsfield, and review of site attendance records over the
last several months identified underutilisation across the site, with moderate vacant space available
in building 001 that would be appropriate for refurbishment to Activity Based Working (ABW) space.
Investment in the building fabric, coupled with additional staff being based at the Marsfield site,
would improve vibrancy and cohesion, and increase/maximise the utilisation of our existing assets.
Marsfield is a relatively easy site to access, due to its location, availability of onsite parking, and is
convenient to public transport routes.
Other options
The highly bespoke nature of the CSIRO’s premises requirements presents a challenge in identifying
existing sites able to accommodate the organisation without significant adaptation works and
associated costs beyond the initial fit out works. Whilst several options for leasing were identified,
they failed to meet the specific needs requirements, noting the additional load requirements for
laboratories, nor are they suitably located.
Greenfield and brownfield site developments would provide the bespoke design outcome and allow
the new building to match the requirements exactly. However, this would require partnering with a
developer and would include the cost of purchasing the land parcel when considering the feasibility
of this option, making this option less compelling than working with a developer on a BtS or BtR
scheme on one of CSIRO existing parcels of land.
An additional option is a purpose-built building on a portion of the Lindfield site. This option is
contingent on the agreement with DISR for CSIRO to occupy a parcel of land separate to the main
facility under a leasehold arrangement. Funding for this option would be part-funded by the sale of
the Marsfield site, estimated at $55m. It is assumed appetite for this option is low and it is not
recommended.
Should ET proceed with a commitment to vacating Lindfield altogether within the medium term,
other options for relocating capability to other CSIRO sites could be investigated (e.g. current Energy
capability being moved to Newcastle), subject to relevant Enterprise Agreement obligations.
Col ocation Opportunities
Following a staff consultation process at Eveleigh, it may be that a smaller hub arrangement in the
city is preferred and there are potential opportunities with universities (Sydney, UTS, UNSW) that
ET 153 Item 4.1 Update on Sydney Consolidation Options
Page 3 of 6
could be explored (none had been identified at time of this paper) or access to co-working sites
could be arranged on an as needs basis. Noting utilisation of Eveleigh however, the imperative to
have explored this in any more detail at this stage does not exist.
Proposal
CBIS wil work with the relevant functions to prepare for, and commence, consultation processes
with staff, relating to the proposal to exit
Eveleigh, as per ET’s direction in August 2024 (ET 152),
and relocating to Marsfield under an ABW arrangement.
Concurrently, for the reasons captured in this paper, as well as an affirmation of the preferred
option identified as part of the CBRE Sydney Consolidation Options Study (August 2024), it is
proposed that CSIRO pursues a consolidation option that focuses on our existing
Marsfield site. A
staged implementation / development is proposed, including:
• Stage 1 – ABW to be designed and implemented at Marsfield in Building 001 to accommodate
the Eveleigh (and Westmead contingent if required), as well as desk-based staff from Lindfield.
Preliminary scoping has identified space to accommodate up to 90 workstations across the full
floor of Q wing, at an estimated total cost of $3 million for the ABW works and the required
upgrades to the HVAC system, with works being completed by June 2025. Based on current staff
attendance rates 90 workstations would meet the medium-term need.
• Stage 2 – investigation into a new build for the Marsfield site of up to 10,000m2, as well as
subdivision / town planning opportunities to enable offset of capital cost (including potential
Build-to-Rent). Early scoping identified this activity at a 5-6 year timeframe, including
considerations that a New Policy Proposal (NPP) is likely to be required along with amendments
to the current NPP, in addition to the proposal being submitted through the Public Works
Committee (PWC).
Further direction from the ET is sought on the retention or exit from
Westmead IQ Building (office
accommodation), under lease until March 2032, along with the H&B REN Building laboratory space
also located in the Westmead health precinct under a shorter lease of 5 years until September 2027.
A recent desktop audit indicated that on average only 10 staff attended the Westmead IQ building
site per day equating to $160,000 pa per site attendee in rent and related costs. Exiting the IQ
building would enable staff to be relocated to ABW space at Marsfield and to sub-let the vacated
space in the IQ building. The REN building will require support from H&B, pending their laboratory
requirements, but can be addressed independently of the IQ building shut down.
Consultation and communications plans wil be developed to support next steps.
Recommendation
That ET endorse:
• The preferred option, being for CSIRO to invest in the Marsfield site as our point of consolidation
and to do so in a staged manner, comprising:
- ABW investment in existing Building 001 to accommodate desk-based staff from Lindfield,
Eveleigh and Westmead; and
- s22
ET 153 Item 4.1 Update on Sydney Consolidation Options
Page 4 of 6
• s22
• CBIS to proceed with development of a full business case for the proposal, as well as progressing
updates to the current NPP and development with consultation plans, in partnership with
Workplace Relations and communications plans.
• Investment of up to $3 million to facilitate the development of an ABW footprint allowing the
transfer of desk-based staff from Eveleigh, s22
funded
by the existing Sydney Consolidation Program budget.
• The commencement of consultation with Westmead staff on future office and lab spaces at
Westmead with a view to exiting both the IQ and REN buildings, and pending consultation
regarding H&B’s laboratory requirements at the REN building, with staff relocating to Marsfield.
Tom Munyard
Chief Operating Officer
Attachments
Attachment A
Current Sydney Consolidation Sites – Key Metrics
ET 153 Item 4.1 Update on Sydney Consolidation Options
Page 5 of 6
Attachment A - Current Footprints in Sydney Under Consideration – Metrics
The table below demonstrates the current metrics associated with our key Sydney sites, under
consideration for consolidation.
SITE
MARSFIELD
LINDFIELD
WESTMEAD
EVELEIGH
Building Area
12,752 m2
11,248 m2
1,852 m2
5,917 m2
(excludes
hospital)
Staff (CSOF only)
237
145
54
240
Operating Cost (rent/outgoings) (23/24)
s22
Opex per person
Opex per m2
Utilisation (CSOF only weighted average 52%) (23/24)
47%
64%
30%
18%
Capital investment required (≤ 10yrs) at each site (estimated
based on known, assuming current footprint remains at each
$25m
$750m
Nil
Nil
site only)
Note: Eveleigh’s figures are based on Gross Floor Area (GFA). Marsfield, Lindfield and Westmead are on Net Floor Area (NFA)
ET 153 Item 4.1 Update on Sydney Consolidation Options
Page 6 of 6

Sydney Consolidation Project 2
Consultation, Communication & Change Plan
November 2024
Executive Sponsor
– s22
0
link to page 40 link to page 40 link to page 41 link to page 41 link to page 41 link to page 45 link to page 46 link to page 47 link to page 48 link to page 49 link to page 49 link to page 50 link to page 50 link to page 51 link to page 52 link to page 52 link to page 57 link to page 57 link to page 62 link to page 64 link to page 66 link to page 68 link to page 70 link to page 72 link to page 72 link to page 74 link to page 77 link to page 77 link to page 79 link to page 81 link to page 89 link to page 94
Contents
Background ....................................................................................................................................................... 2
Additional background (sensitive and confidential) ...................................................................................... 2
Utilisation Rates ............................................................................................................................................. 3
Site Information ............................................................................................................................................. 3
Proposed ABW at Marsfield .......................................................................................................................... 3
Previous media and Holding Statements ......................................................................................................... 7
Key messaging ................................................................................................................................................... 8
Stakeholder Consultation ................................................................................................................................. 9
Action Plan / Timeline / Program ................................................................................................................... 10
Consultation .................................................................................................................................................... 11
Channels / Comms packages .......................................................................................................................... 11
Affected people, Research Units and ES Units ................................................................................................ 12
Affected people and leaders to engage with .............................................................................................. 12
RUs/ES with no staff in Sydney .................................................................................................................... 13
Potential Risks / Risk Assessment .................................................................................................................. 14
Attachments .................................................................................................................................................... 14
APPENDIX A: PRE NOTIFICATION ................................................................................................................. 19
Email: ADVICE TO MLO - SENT 17/10 ...................................................................................................... 19
Email: FR to Douglas & Jon re. Marsfield– SENT ..................................................................................... 24
Email: FR to TM on the proposed process ............................................................................................... 26
Email: FOR APPROVAL – COO to ED Notification .................................................................................... 28
Email: FOR APPROVAL – COO to CLT ....................................................................................................... 30
Email: FOR APPROVAL – COO to Sydney All Staff .................................................................................... 32
Meeting Invite: FOR APPROVAL – FIONA to Lindfield RU Directors and Leaders .....
Error! Bookmark not
defined.
APPENDIX B: EARLY ENGAGEMENT ............................................................................................................. 34
Meeting Invite: FOR APPROVAL – All Sydney Staff - Townhal ................................................................ 34
Email: FOR APPROVAL – Post Townhall – ALL SYDNEY commencement of Early Engagement .............. 36
Email: FOR APPROVAL – Post Townhall – IR to CSIRO Staff Association/CPSU commencement of Early
Engagement ............................................................................................................................................. 39
Email: FOR APPROVAL –ALL SYDNEY Reminder of the close of Early Engagement ................................ 41
Email: FOR APPROVAL –ALL SYDNEY CONCLUSION of Early Engagement .............................................. 43
Email: FOR APPROVAL – Feedback from Early Engagement phase ......................................................... 52
APPENDIX C: FORMAL CONSULTATION ....................................................................................................... 56
APPENDIX D: MYCSIRO PAGES .................................................................................................................. 116
Relocation Support Plan ......................................................................................
Error! Bookmark not defined.
APPENDIX E: Staff Participation and Consultation (EA Extract) ................................................................ 127
1
Background
CSIRO’s Property Strategy defines the process for capturing infrastructure priorities and
projections identified by our research units, and how to deliver these priorities. In an environment
of radical simplification, our property strategy also helps us understand where we can reduce
operating costs to support the organisation into the future, retain our existing capability, and
ensure our people can continue to work on the science.
While the strategy is focused on efficiency and making the best use of our facilities, it is also about
providing better infrastructure that continues to enable the delivery of benefits and impact to the
Australian people, environment, research and industry.
Our leadership team continues to consider our Sydney footprint as part of the broader CSIRO
property strategy with a view to consolidating our presence, where feasible, to meet our research
priorities.
For some time, CSIRO has been progressing plans to consolidate its greater Sydney locations of
Lindfield, Marsfield, Eveleigh and Westmead. (Note that Lucas Heights and North Ryde are not
impacted by this program of work). Since signalling in principle support, there have been material
changes that have warranted re-evaluation of our strategy for greater Sydney:
• new ways of working, with hybrid arrangements being accepted practice for our staff.
• the rollout of activity-based working (ABW) reduces the required footprint for any
new/refurbished facility.
• we’ve listened to our staff - indications that Bradfield no longer aligns with research priorities.
With Bradfield off the table, CBIS has been assessing options for our existing Sydney footprint and
engaging with RU leaders to determine the best fit for our science and to ensure our organisation
remains agile, financially stable, and capable of achieving its long-term goals in research and
innovation. This work has been endorsed by ET and is currently waiting Board approval.
We know our people are very keen to learn the outcomes of this work and so communication is
key to working through the next steps. We have developed a
project intranet page and a range of
other mechanisms wil be employed to keep our staff informed and provide opportunity for
engagement.
Additional background (sensitive and confidential)
ET Directive Notes:
• Commence consultation on the proposal to explore options to exit early.
• Staff given the option to relocate to Marsfield in an ABW environment.
• Westmead is not an option to move into (unless there is a requirement due to delays in ABW
delivery).
• Lindfield to be vacated by 2029 in entirety, with desk-based staff relocated by mid-2025.
Sensitivities:
• CBIS staff. Casuals to be separately informed (Randstad hires these employees?).
2
• s22
(CBIS) potentially impacted – State Manager Sydney
Metro (AM) to speak to them before any communications.
• Future of Main Sequence Ventures (non-rent paying CSIRO subsidiary) Want to stay at
Eveleigh/co-located with CSIRO. Potentially do not have space in Marsfield. Director CBIS (FR)
to engage with Director Science Connect (GF).
• Recent notice of sale for the Eveleigh building, including the pre-emptive lease of the 3 floors
we hold. State Manager Sydney Metro (AM) is managing this.
• Data61 potential y to lose up to 20% of their headcount.
• Site Leader – consider timing and messaging around these communications.
Utilisation Rates
s22
Site Information
We have six CSIRO sites in Sydney:
1. Eveleigh
2. Lindfield
3. Marsfield
4. Westmead (IQ (office) and REN (PC2 labs) buildings)
5. North Ryde (only Science Connect (Infratech) present at this site)
6. Lucas Heights (excluded from the SCP)
Proposed ABW at Marsfield
Due to the decision that desk-based staff will be relocated from Lindfield by June 2025, , the ABW
space is currently in planning / design to accommodate relocating staff from Lindfield and for staff
already located at Marsfield. Lindfield and affected Marsfield staff wil be consulted on the design
and implementation of ABW.
3
The space is planned to be flexible, with a variety of workspaces, in line with CSIRO’s
Accommodation Guidelines and ABW Fitout Guide to ensure flexibility and adaptability if, and
when, a decision is made regarding the Eveleigh and Westmead sites.
Indicative Specifications: Indicatively, the proposal is for a ful floor fit out of “Q Wing” of Building 001 to be converted to
ABW, planned for completion by June 2025.
Based on an indicative design undertaken by CBIS (refer overleaf), the fit out may include
approximately:
• 94 workstations
• 3 small break-out spaces
• 4 meeting rooms
• New kitchenette space next to the current
• A quiet/prayer room
smaller one
• 2 collaboration tall tables
• And 3 meeting pods (possibly relocating)
Where possible, efficiencies can be leveraged via use of existing offices for meeting rooms,
retention of bathrooms / showers on that floor that are in good condition (these were refreshed in
the original SCP project), use of existing kitchen that was upgraded, however, to accommodate
more visiting staff it can be extended into the adjacent office.
Additional lockers may be required and a break out / collaboration space will be considered. Note:
the grey boxes in the plan are currently glass or free areas as it’s the atrium space above.
A designer will be appointed to develop the full design in consultation with representatives of
affected staff (Lindfield and Marsfield staff).
4
5
Existing layout
6
Current holding statement – refer to Sydney Consolidation holding
statement October 2024
Previous media and Holding Statements
Previous media coverage stated CSIRO is intending to relocate our Sydney staff to Bradfield,
Aerotropolis, as the ‘marque tenant’. This is no longer the case. There may be heightened media
interest in CSIRO moving to a site other than Bradfield. Prepare a holding statement and Q&As for
this.
7
Key messaging
Internal key messages (for our affected people and broader CSIRO)
• Our leadership team continues to consider our Sydney footprint as part of the broader CSIRO
property strategy with a view to consolidating our presence, where feasible, to meet our
research priorities.
• We have six CSIRO sites in Sydney – Eveleigh, Lindfield, Lucas Heights, Marsfield, North Ryde,
and Westmead (1Q and REN buildings).
• In October 2024, the CSIRO Chief Executive advised the Bradfield Development Authority of
our intention to withdraw from the proposal for a CSIRO consolidation to Bradfield in any
capacity, noting that Infratech / Fire Testing is still under consideration.
• On 15 May 2024 the CSIRO Board resolved to transfer the title of CSIRO’s Lindfield site to the
Department of Industry, Science and Resources (DISR). CSIRO has resolved to exit the site in
entirety by 2029.
• It is proposed that desk-based staff from Lindfield are consolidated to a purpose built ABW
environment at Marsfield by June 2025. This space will also accommodate staff from Marsfield
occupying the floor that wil be affected by the works. Planning and design are underway for
this ABW space.
• Lab capability from Lindfield is planned to be relocated as soon as practicable and no later than
2029.
• Our Eveleigh site is approaching lease expiry in 2026. The site is significantly underutilised,
averaging 17% utilisation compared to CSIRO’s average of 51%, post Covid. Our Westmead site
is also underutilised at 30%, with lease expiry during March 2032.
• Accordingly, the Eveleigh and Westmead sites are proposed to be exited as soon as practicable
(July 2025), pending consultation as required under CSIRO’s Enterprise Agreement.
• Subject to consultation and it is proposed that staff from Eveleigh and Westmead (all desk-
based) also relocate to Marsfield, into the new ABW accommodation.
• ABW is a design-based approach for workspaces which recognises that people perform
different activities in their day-to-day work, and therefore need a variety of work settings to
carry out these activities effectively. It aims to create a space that suits how we work allowing
for modern, technology-driven facilities that enable greater flexibility, and optimise our
number and diversity of work settings and spaces.
• Relocation wil be subject to consultation, which wil commence with our affected people in the
coming weeks. CThis will align with the CSIRO Enterprise Agreement and will be managed and
supported by RUs, ESUs and their HR colleagues.
We are working with affected RUs and ESUs to plan for improvements to the Marsfield site facilities to
enable activity-based working and deliver upgraded facilities.
General Property Strategy message
• CSIRO’s Property Strategy is focused on efficiency and making the best use of our facilities, while
providing sustainable infrastructure that continues to enable the delivery of benefits and impact
to the Australian people, environment, research and industry.
8
• Our Property Strategy will ensure CSIRO’s Sydney footprint is the best fit for our science, and
our organisation remains agile, financially stable, and capable of achieving its long-term goals in
research and innovation.
In relation to the ES Reform
• CSIRO’s Property Strategy has been in place prior to the ES reform, but due to changes in science
research priorities some of our property plans are being refined to align with our evolving
science requirements.
• CSIRO’s ES Reform is about delivering sustainable and effective enterprise services to the
organisation through efficiencies found in consolidation of some of our teams. Our property
strategy will support the plans for our simplified structure though workplaces that deliver better
opportunities for col aboration.
• In addition, on site consolidations will assist in delivering operational savings by enabling critical
mass and site vibrancy.
External key messages
• CSIRO continues to consider our broader Sydney footprint with a view to consolidating our
presence, where feasible, to meet our research priorities.
• CSIRO’s Property Strategy is focused on efficiency and making the best use of our facilities, while
providing sustainable infrastructure that continues to enable the delivery of benefits and impact
to the Australian people, environment, research and industry.
• Our Property Strategy will ensure CSIRO’s Sydney footprint is the best fit for our science, and
our organisation remains agile, financially stable, and capable of achieving its long-term goals in
research and innovation.
Stakeholder Consultation
Stakeholder
Required Comms
Responsible
RU and ESU Directors
Email/F2F meeting Exec Sponsor / CBIS Director (Fiona
Rothwell)
Staff Association / Workplace relations*
Email
Industrial Relations team Brett
Barton /Jane Hanna
Strategic People Partner
Liz Neale
CLT
Email/presentation CBIS Director (Fiona Rothwell)
at meeting
Minister
Notification
MLO
Affected staff
Email
Exec Sponsor
Tenants/co-located partners (if applicable)
Email
CBIS Director (Fiona Rothwell)
*Staff Association consultation
Michel e Hamilton to liaise with Brett Barton, industrial relations team.
9
Action Plan / Timeline / Program
See spreadsheet:
Sydney Consolidation Program of Works_v2.xlsx
10
Consultation
See Appendix E (excerpt from CSIRO Enterprise Agreement – 54. Staff participation and
consultation)
In line with Clause 54 of the Enterprise Agreement , staff at Lindfield wil be consulted on the
proposed ABW design and implementation given the decision to relocate staff to Marsfield has
already been made.
Eveleigh staff will be engaged in the consultation process on the proposed exit and relocation to
Marsfield.
Channels / Comms packages
A range of media and forums will be employed, as appropriate, to distribute and reinforce the key
messages.
• MLO Notification (and state government notification) (see Appendix A)
• Staff emails – Pre Engagement briefing (see Appendix A)
• Staff emails – Early Engagement (see Appendix B)
• Staff emails – Formal Consultation (see Appendix C)
• F2F/virtual meetings for managers with affected teams/people on site
• Town Halls and change management forums
• Dedicated MyCSIRO project webpage for Sydney Consolidation Project already exists, with the
fol owing site sub-pages and FAQs (to be developed see Appendix D):
o Bradfield
o Eveleigh
o Lindfield
o Marsfield
o Westmead
• Media te
am Holding statement (for use in the case of media enquiries)
• Updates to
MyCSIRO Property Strategy activities webpage
• Updates to the
Property Strategy and Annual Implementation Plan webpage
11
Affected people, Research Units and ES Units
Below is a snapshot of people numbers at our Sydney sites as of June 2024.
Site
CSIRO Officers
Other (Affiliates)
Total
Eveleigh
240
101
341
Lindfield
145
35
180
Marsfield
237
408
645
Westmead
54
16
70
Lucas Heights
35
9
44
North Ryde
16
1
17
Below is a snapshot of people numbers at our Sydney sites as of December 2024
Site
CSIRO Officers
Other (Affiliates)
Total
Eveleigh
222
113
335
Lindfield
139
28
167
Marsfield
223
383
606
Westmead
47
15
62
Lucas Heights
34
11
45
North Ryde
16
1
17
We have a list of all people across different areas of the organisation and the full names of
affected people, and their supervisors. A list of key stakeholders / leaders are listed below.
Daily Staff Report - Public - Analytic Applications - SAP Analytics Cloud
Affected people and leaders to engage with
Unit
Name
Position
Site and people numbers CSOF (CSOF)
Eveleigh Lindfield Marsfield Westmead
Ag&F
s22
Director
2
2
ROM
Senior RD on site
Data61
s22
Director
96
1
67
ROM
Senior RD on site
Energy
s22
Director
1
9
ROM
Senior RD on site
Enviro
s22
Director
4
ROM
Senior RD on site
H&B
s22
Director
2
1
43
ROM
Senior RD on site
Manf
s22
Director
67
ROM
Senior RD on site
Minerals
s22
Director A/g
8
ROM
Senior RD on site
NCMI
s22
Director
6
1
ROM
12
Senior RD on site
S&A
s22
Director
119
ROM
Senior RD on site
SciCon
s22
Director
45
ROM
Senior RD on site
IMT
s22
Director
17
24
4
CBIS
s22
Director
11
13
3
Integrity
s22
Director
2
1
Finance
s22
Director
4
14
Comms
s22
Director A/g
12
1
3
Gov. E
s22
Director
1
1
HSE
s22
Director
1
1
People
s22
Director
4
3
Strategy
s22
Director
10
1
4
Part & BD s22
Director
8
7
2
Exec
Director
1
3
Legal
s22
Director
9
1
5
Digital O
s22
Director
1
1
1
Total CSOF
233
141
227
50
Affiliates
111
30
381
10
Total CSOF+ Affiliates
344
171
608
60
RUs/ES with no staff in Sydney
ACDP, Indigenous Science & Engagement Office
13
Potential Risks / Risk Assessment
Risk
Mitigation
Accountable
Body
Approvals /
• Seek executive endorsement.
Sydney
Program risk
• Alignment with other RU changes.
Consolidation
• Engagement with MLO / Project Board as
Project - PCG
required.
• Ensuring timelines are clear to all impacted RU
leads
Wellbeing /
• Comms / Change plan supported by regular,
RDs, HR
Morale affected
transparent communication.
• Clear messaging that changes are not intended to
reduce capacity? , rather consolidate our people.
• Process and timelines clearly articulated.
• Access for staff to line management and
leadership, supported by HR.
Staff Association
• Early and open engagement with SA
HR
Response
• Clear messaging that changes are not intended to
reduce capacity? , rather consolidate our people.
Response from
• Early engagement with senior representatives
Site Leaders /
partners
ahead of CSIRO consultation.
SMs
Attachments
Appendix A – Pre-Notification Emails
Appendix B – Early Engagement Emails / Invites
Appendix C1 – Formal Consultation Emails / Invites – Lindfield
Appendix C2 – Formal Consultation Emails / Invites – Eveleigh
Appendix D – My CSIRO Pages
Appendix E – Enterprise Agreement Consultation Requirements (Extract)
14
15
Communication & Engagement Plan
What
When
Who
Purpose
How
Responsibility
Comments/Status
Town Hall – Kick off meeting – 12 November Stakeholders
Engage with stakeholders to Meeting
Project Sponsor
Complete.
commencement of Early
2024
(al Sydney)
communicate project, provide
Project Manager
Engagement
stakeholders with opportunity
Project Team
Early engagement period from 12
to raise any concerns.
November 2024 to 26 November
Commence period of early
2024.
engagement.
MyCSIRO – Sydney Consolidation November
Stakeholders
Provide regular project
Online
Communication
Page set up/Update as required
Project page
2024
(al Sydney)
updates, update FAQ’s.
Manager
including updated FAQ’s as they
Feb 2025
arise.
(update)
Eveleigh BU engagement (D61 January 2025 Data 61 Leadership Engagement regarding D61
Meetings
Project Sponsor
Ongoing
pre move scoping)
requirements at Marsfield
Project Manager
pending formal consultation
Project Team
period.
Engagement - Lindfield office
February – July Stakeholders (RU
Engagement with Lindfield
Meetings
Project Manager
Planning commenced
relocation/consolidation
2025
Leadership/ROM’s
staff re relocating
Project Team
initial y then broader office/consolidation of space
Lindfield staff).
due to MNI handover.
Lindfield Town Hall – Update
February 2025 Lindfield al staff
Engage with Stakeholders to Meeting & post Project Sponsor
TBC confirmed fol owing ET
following ET Decision –
Stakeholders
communicate project update mtg email
Project Manager
decision 12/2/25
commencement of formal
on ET decision, provide
Project Team
consultation period
stakeholders with an
Lindfield and Eveleigh formal
opportunity to raise any
consultation processes to be run
concerns. Commence period
separately.
of formal consultation.
16
Eveleigh Town Hall – Update
February 2025 Eveleigh al staff
Engage with stakeholders to Meeting & post Project Sponsor
TBC confirmed fol owing ET
following ET Decision –
Stakeholders
communicate project update mtg email
Project Manager
decision 12/2/25
commencement of formal
on ET decision, provide
Project Team
consultation period
stakeholders with an
Lindfield and Eveleigh formal
opportunity to raise any
consultation processes to be run
concerns. Commence period
separately.
of formal consultation.
Marsfield ABW – Engagement March 2025
Stakeholders –
Current occupants decant
Meetings
Project Manager
namely PQEF wings arrangements.
Project Team
(Marsfield)
Engagement Manager
Introduce the concept of ABW,
highlight next steps in the
design process.
Design/Change User Group
March 2025
Stakeholders/Project Introduce the concept of ABW. Meetings
Engagement Manager Ongoing
Established – ongoing design
Team
Assess current workplace
Project Manager
workshops
preferences, attendance etc.
External Designer
Gather data for desk ratio,
space requirements to inform
office space design & costs.
Provide a forum to help
support people through the
change, al ows people to safely
raise and share concerns, led
by change champions and
provides a voice at the PCG
meetings to raise issues.
Site Tours
Sept 2025
Stakeholders
Introduce the proposed
Site Tour
Project Team
(Eveleigh & Lindfield) occupants to the site, in
Engagement Manager
preparation for the move.
Meet and greet with current
occupants? Tour of the
facilities
17
Eveleigh formal consultation
March 2025
Eveleigh al staff
Formal consultation process MyCSIRO
CBIS Strategy Team
Stakeholders
Property Strategy
inbox to col ect
feedback
Lindfield formal consultation
March 2025
Lindfield al staff
Formal consultation process MyCSIRO
CBIS Strategy Team
Stakeholders
Property Strategy
inbox to col ect
feedback
Lindfield Stage 2 Relocation
TBC
Lindfield al staff
Engagement with Lindfield
Meetings
CBIS Strategy Team TBC
Stakeholders
RU’s on Research/lab
MyCSIRO
Project Manager
relocation to Marsfield (buy
2029)
18
APPENDIX A: PRE NOTIFICATION
Email: ADVICE TO MLO - SENT 17/10
BRIEF DETAILS
Name and area of CBIS – draft email from s22
Director CBIS
business
Purpose
Draft email from s22
to MLO providing advice on the site change - Eveleigh
Send date
17 October 2024
Sender
s22
Reviewers
s22
,
Final approval
s22
Director CBIS
Suggested
MLO
distribution:
NOTE: Advice must be provided to MLO one week before and their approval is required to proceed with the
process
Subject line
MLO Advice re. Staff Consultation – Sydney Consolidation Project
Dear MLO,
CSIRO’s Executive Team has endorsed (ET153, September 2024) the recommendation to commence
consultation with our people over consolidating our Sydney footprint to our Marsfield site. The proposal is
to relocate our desk-based Research and all Enterprise staff to a shared activity-based working
environment at our Marsfield site. This includes our people at Eveleigh, Lindfield and Westmead IQ
Building.
CSIRO has been actively working on the consolidation of our Sydney sites, which has been an active
program of work since 2018. In recent months there has been significant movement within the Sydney
Consolidation Program, namely:
• the decision to withdraw from the Bradfield (Aerotropolis) proposal (ET150, 12-13 June 2024),
• the Board resolution to transfer title of the Lindfield site to the Department of Industry, Science and
Resources (DISR) (Board 244, 26 June 2024), with a likely staged exit of desk-based staff from July 2025
to December 2029 for laboratories,
• the decision to commence consultation with staff on the complete exit from Eveleigh by June 2025 (ET
152, 6 August 2024), and
• the decision by Health and Biosecurity to exit from human health clinical science, resulting in the
underutilisation of the Westmead IQ Building (noting Westmead REN is still in active use). Westmead
was identified and approved for divestment by the ET (ET149). However, the exit of Westmead was
determined to be a second priority to the broader Eveleigh and Lindfield consolidation to Marsfield,
19
and no proposed exit date has been established (ET153, September 2024). As such, Westmead staff wil
be included in this consultation process, noting there is no planned exit date from their site (lease
expiry March 2032).
In line with the Enterprise Agreement, on 28 October 2024 (anticipated) we will commence a period of
early engagement (2wks) followed by formal consultation from 18 November (anticipated) – 13 December
2024 (with the potential to exit the formal consultation period until 24 January 2025 depending on
responses) (anticipated) with the 1183 affected staff (651) and affiliates (532), on this proposal. The
feedback received wil inform the recommendation to the Executive Team in February 2025. Workplace
Relations has been engaged and has prepared the notification to the Staff Association, to be sent following
the initial townhal and subsequent email to affected staff.
Activities and research undertaken:
The research/work activities undertaken at these sites is as follows:
- Eveleigh is primarily occupied by Data61 and Science Connect. There is no laboratory capability at
Eveleigh.
- Westmead is primarily occupied by Health and Biosecurity. There is no laboratory capability at the
Westmead IQ Building (Westmead REN is home to the laboratory but is not part of the proposed
Marsfield consolidation).
- Lindfield is predominately occupied by Manufacturing and Energy, with a small contingent from
Minerals. There is significant laboratory capability at Lindfield – the relocation of the Laboratory
component wil occur on an extended timeframe of up to December 2029 due to the required
planning.
- Marsfield is predominantly occupied by Space and Astronomy and Data61. There is significant
laboratory and workshop capability at Marsfield, noting it is not proposed that this capability is
relocated as part of this proposal).
Col aborators:
Eveleigh: Provides space to Main Sequence Ventures (MSV) and we wil explore options to relocate that
team.
Westmead: Cicada Innovations occupy vacant floor space in the IQ Building leased space.
Lindfield: There are six SME licensees currently operating out of the Lindfield Collaboration Hub (Boson
Engineering, Movandi Sydney, Kimiya, Remy Therapeutics, Aperture Team and Aloxitec). Three additional
licensees are located at the site: Macquarie University, Appen, and the canteen operator (Café Alchemy).
The staff profile across Sydney is:
There are
433 directly affected staff and 142 associates. (Eveleigh, Lindfield and Westmead)
However, there are an additional 277 affected staff and 331 associates in the broader Sydney Consolidation
Project proposal (Marsfield)(these figures
exclude Lucas Heights 45 and North Ryde 16, but include 608
from Marsfield, 331 of which are affiliates).
20
26 Sept 2024 Staff Distribution - CSOF
s
ffiliates)
LY)
N
Sites
eight
nd A
yde
ead
F O
F a
field
arsfield
orth R
Units
veleigh
estm
CSO
Lind
M
Lucas H
N
E
W
TALS (CSO
TALS (
2060 -
2120 -
2240 -
2290 -
2700 -
2840 -
TO
TO
BU - AAHL
0
0
BU - Agriculture & Food
2
2
2
6
8
BU - Data 61
1
67
96
164
285
BU - Energy
9
1
10
14
BU - Environment
4
4
8
BU - Health & Biosecurity
1
2
43
46
55
BU - Manufacturing
67
67
77
BU - Minerals
8
30
38
51
BU - NCMI
1
6
7
9
BU - Space & Astronomy
119
119
451
BU - Science Connect
15
45
60
77
BU - TOTAL
86
189
30
15
156
45
521
1035
ES - IMT
24
4
2
17
47
62
ES - CBIS
13
3
11
27
33
ES - Integrity
2
1
3
5
ES - Finance
14
4
18
18
ES - Comms
1
3
12
16
17
ES - Government Engage
1
1
2
2
ES - HSE
1
1
2
4
4
ES - People
3
4
7
7
ES - Strategy
1
4
10
15
15
ES - Partnerships & BD
7
2
8
17
17
ES - Executive
1
3
4
4
ES - Legal
1
5
2
9
17
21
ES - Chief Scientist
1
1
1
ES - Digital Office
1
1
1
3
3
ES - TOTAL
55
38
6
0
77
5
181
209
GRAND TOTAL
141
227
36
15
233
50
702
1244
BU (CSOF and Affiliates)
105
567
39
15
255
54
1035
ES (CSOF and Affiliates)
66
41
6
1
89
6
209
TOTAL (CSOF and Affiliates)
171
608
45
16
344
60
1244
Impacted staff:
There will be an impact on ES, resulting in potential job losses for eight CBIS staff, three IMT and two HSE
staff. Noting that this process wil run concurrently to the ES Reform which may impact these roles or
provide new opportunities for these employees in a new role.
Local Government:
There are no local Government impacts, no further engagement is required.
Proposed exit dates:
Following the formal consultation period closing on 13 December 2024 (with the potential to extend until
24 January 2025), if the proposal is supported, the recommendation to exit by June 2025 date wil be
provided to the Executive Team for decision in [February/March] 2025. Staff will be informed of the
outcome and in alignment with the EA will be provided with 3 months written notice of relocation. The
anticipated exit dates are as follows:
- Eveleigh, June 2025
21
- Lindfield ES staff and desk-based RU staff, June 2025
- Westmead, no fixed time noting lease expires March 2032 and early exit may enable sub-leasing of
the space and cost recovery
- Lindfield RU laboratory staff, December 2029
This proposal is driven by CSIRO priorities to support financial sustainability, and is in alignment with
CSIRO’s 2019-2029 Property Strategy, as we continue to work towards ensuring our sites remain
sustainable, safe, vibrant, and fit-for-purpose. The Executive Team has been looking at site rental costs and
utilisation rates. Our commitment to flexible work has resulted in Eveleigh and Westmead in particular,
being significantly underutilised.
Happy to discuss or please give s22
(copied) a call.
FR
UPDATE SENT TO MLO on 1 November 2024
Good afternoon MLO
Just wanted to check whether the advice below has been shared with the MO yet?
Due to the number of change activities currently underway across CSIRO, we have had a slight change in
timings for Early Engagement kick off regarding the Sydney Consolidation Project.
We are now hoping to kick off the process (Early Engagement) next week, as early as Monday 4 November
(for a period of 2 weeks) with formal consultation commencing as soon as late November and likely running
into the new year.
The proposed exit date of end June 2025 remains the same.
Please let us know if you require any further information.
Cheers,
s22
22
UPDATE SENT 11/11 from BC to MLO
Sydney sites – Proposed changes
Summary of proposed workplace change:
Rationale for the change
CSIRO’s Executive Team has endorsed (ET153, September 2024) the recommendation to commence
consultation with our people about consolidating our Sydney footprint to our Marsfield site. The
proposal is to relocate our desk-based Research and all Enterprise staff to a shared activity-based
working environment at our Marsfield site. This includes our people at Eveleigh and Lindfield and is
based on:
- the decision to withdraw from the Bradfield (Aerotropolis) proposal (ET150, 12-13 June 2024),
- the Board resolution to transfer title of the Lindfield site to the Department of Industry, Science and
Resources (DISR) (Board 244, 26 June 2024), with a likely staged exit of desk-based staff from July 2025
to December 2029 for laboratories,
- the decision to commence consultation with staff on the complete exit from Eveleigh by June 2025 (ET
152, 6 August 2024), based on high costs related to the site and low utilisation.
Westmead, North Ryde and Lucas Heights sites are not affected by this proposal. Westmead will be
considered in future for relocation, subject to decision and implementation of this proposal.
Location of affected staff
Site
Number of Affiliates
Number of indefinite staff
Marsfield
381
227
Eveleigh
111
233
Lindfield
30
141
Summary of Staffing impacts
Total Number of staff in affected area
1,123 HC
Total Number of staff likely to be affected by the proposal
10 HC
- Lindfield (Impacts due to the transfer of title to DISR)
8 HC
- Eveleigh
2 HC
*noting this figure may be impacted by current ES reforms
Consultation and Implementation Timelines
11 November 2024
Meet with potential y impacted officers to describe the proposed changes
12 November 2024
2 weeks early engagement commences
12 November 2024
Notify CSIRO Staff Association of commencement of consultation
26 November 2024
Early engagement period closes
27 November to 17
Consideration of feedback from early engagement and preparation for formal
January 2025
consultation
20 January
Formal consultation commences
14 February
Formal consultation closes
3-4 March ET
Consideration of feedback and final decision made
Mid-March
Communication of final decision to proceed with changes
Mid-March
Commence implementation of changes
23
Email: FR to Douglas & Jon re. Marsfield– SENT 22/10
To be sent before all Eveleigh Directors Email
BRIEF DETAILS
Name and area of CBIS – draft email from Fiona
business
Purpose
Draft email from s22
re. the repurposing of
unused space at Marsfield to accommodate other Sydney staff and labs.
Send date
22 October 2024
Sender
s22
Reviewers
s22
Final approval
s22
Suggested
s22
distribution:
Dear s22
,
As CLT members based at CSIRO’s Marsfield site, I am hoping we can meet to discuss the Sydney
Consolidation Project.
As you are aware, the Sydney Consolidation Project has been running for a number of years. Over the last
six months there has been renewed movement in this project, with the recent decision to not pursue
Bradfield as an option, and the Board’s decision to transfer Lindfield’s title to the Department. At ET153
September, the ET endorsed the recommendation for Marsfield to become our primary Sydney site, and to
commence consultation with our people over consolidating our Sydney footprint. This was endorsed at
Board last week. The proposal is to relocate our desk-based Research and all Enterprise staff to a shared
activity-based working environment at our Marsfield site by June 2025. This proposal includes our people at
Eveleigh, Lindfield and Westmead IQ Building.
This decision is in line with our Property Strategy and financial sustainability goals. Current utilisation at
Eveleigh sits at approximately 17% and Westmead 30%, warranting investigations into more sustainable
alternatives.
Early planning has identified the education/library space and Q Wing (and eventually P Wing if required) of
building 001 at Marsfield as optimal solutions, due to their layout, low current utilisation and size to create
a shared
activity-based working environment, by June 2025. If supported, this space wil accommodate
over 200 staff, including 131 designated workstations, a quiet room, break out, collaboration, and meeting
spaces and a new kitchenette. The ABW environment will be available for all CSIRO staff to use. Separately,
24
consideration will also be given to requirements around laboratory and workshop facilities at Marsfield, as
part of the relocation of Lindfield based capability over the longer term.
As the Directors with the largest staff contingents at Marsfield, I am seeking your support in advance of a
broader cascade of communication in line with the Enterprise Agreement, with the first email scheduled to
go to the CLT within the coming weeks. We note there are current and upcoming consultation activities
which will impact Sydney staff, so we are planning our Early Engagement/Consultation activities on this
issue closely with People/Workplace Relations. Accordingly, I’d appreciate your discretion.
Please reach out if you have any questions ahead of our meeting.
Regards
s22
25
Email: FR to TM on the proposed process – SENT
BRIEF DETAILS
Name and area of CBIS – draft email from s22
Director CBIS
business
Purpose
Email from s22
giving the heads up on us proceeding with the
Sydney Consultation Project early engagement and the process.
Send date
Friday 1 November 2024
Sender
s22
, Director CBIS
Reviewers
s22
Final approval
s22
Suggested
s22
distribution:
Subject line
Proposed Sydney Consolidation Project Process Actions
Afternoon s22
As agreed at the September ET meeting, we are planning to proceed with the early engagement with staff
over the proposed Sydney consolidation to Marsfield, including the exit from Eveleigh, Lindfield and
potentially Westmead IQ (if appropriate).
The first phase of this process will focus on the relocation of all desk-based RU and ES staff into an ABW
environment at Marsfield, by June 2025.
Planning and design of the ABW space is underway as a priority, to enable the accommodation of our
Lindfield and Marsfield staff by June 2025. Pending the outcome of consultation, this space wil have
flexibility to allow users from Eveleigh and Westmead too.
Laboratory based staff will be included in this early engagement process, noting that a second formal
consultation and planning activity will be undertaken on a longer timeframe to address the laboratory
capability move from Lindfield.
This email is to confirm the process going forward.
Notification has already been provided to MLO for inclusion in the Minister’s daily brief, the State
Government liaison person has also been informed. HR/Workplace Relations and Comms have approved
the proposed process and messaging. The media team has will briefed as a priority.
Next steps, we ask you to send the fol owing notifications:
1. On Wednesday 6 November write to the EDs, to notify them of the proposed process and
timeline (
email attached).
26
2. On Wednesday 6 November write to CLT to advise them of the aforementioned process, giving
them 3 business days to provide their feedback on the proposal, and proposed engagement
process, and their endorsement of the proposal and invitation to the townhall (
email attached).
3. On Monday 11 November send an all-Sydney email and invitation to our Sydney people to
attend a webcast townhal , also marking the beginning of the two weeks of early engagement
(
email attached). I ask that you host the townhal with key RU Directors and myself as part of
the panel.
4. Following the townhall, send an all-Sydney staff email notifying of the commencement of the
early engagement period.
Concurrently (ahead of the townhall) I will:
1. Meet with the RU Leaders at Lindfield to provide them with an update following the outcomes of the
14 October Board meeting and advise on the next steps.
2. Write to the Sydney Site Leaders to advise them of the proposal.
3. After the town hal , I wil inform Workplace Relations of our communications with staff, who wil
inform the Staff Association.
We propose that the early engagement period will run from 13 November until 27 November. Following
this, we will commence formal consultation in mid to late January for a period of 4 weeks. A formal
recommendation wil be put to ET in March 2025 for decision. If the proposal to relocate to Marsfield is
supported by ET, then staff wil be provided their three months written notice by late-March 2025 for an
exit by end of June 2025.
Please let me know if you anticipate any issues with this way forward.
Many thanks
s22
27
Email: COO to ED Notification SENT
BRIEF DETAILS
Name and area of CBIS – draft email from COO
business
Purpose
Draft email from Tom to the ET notifying them of the proposal to commence early
engagement on the Sydney Consolidation Project proposal
Send date
6, November 2024
Sender
s22
Reviewers
s22
Final approval
s22
Suggested
ET
distribution:
Subject line
Advice to ET re. Staff Consultation – Sydney Consolidation Project
Dear colleagues
On 11 September, you endorsed the recommendation to commence consultation with our people to
consolidate our Sydney footprint to a single location at our Marsfield site. The proposal is to relocate our
desk-based Research and all Enterprise staff to a shared activity-based working environment in Building 1
at Marsfield. This includes our people at Eveleigh, Lindfield and Westmead IQ Building (if appropriate).
This proposal would see us exit from Eveleigh as soon as practicable and ideally by June 2025, noting the
lease runs until June 2026. Lindfield desk-based staff will also relocate by June 2025, in line with the 14
October Board 246 decision. Our people at Westmead IQ Building wil be included in this consultation
process notwithstanding a decision has been made to pause on the immediate exit from this site, noting
the lease expiry of March 2032. Lindfield laboratory-based staff will also be included in this early
engagement process, and a second stage of formal consultation and planning activity will be undertaken on
a longer timeframe to address the laboratory move from Lindfield.
In line with our Enterprise Agreement and commitments to consultation, we willfollow the major change
consultation process and initiate a period of early engagement with our Sydney people, commencing with a
townhal on 13 November. The early engagement period wil run until 27 November. Once the period of
early engagement has concluded CSIRO will review the feedback received from staff and unions during this
time and commence a dedicated formal consultation period, from mid to late January for a period of 4
weeks. A recommendation wil then be provided to ET by early March 2025.
Our Business and Infrastructure Services team (CBIS) is working with our Industrial Relations and
Communications teams for a whole of Sydney approach.
A cascade of our communications following this email will be:
1. I will write to CLT, outlining the proposal and the process of consultation, and wil seek feedback on
the proposal. The Directors will have under a week to provide feedback.
On the Monday 11 November:
28
2. I will invite all Sydney staff to a townhall meeting.
3. Following the meeting I will write to our Sydney people as the formal commencement of the early
engagement period.
4. Concurrently, CBIS will notify the Staff Association through our Industrial Relations team.
CSIRO will provide staff and unions with all relevant information in relation to the proposed relocation once
the dedicated consultation period commences in the coming weeks.
We will ask that any questions or feedback be sent to
xxxxxxxxxxxxxxxx@xxxxx.xx to be considered as part
of the consultation process.
If you have any questions, please feel free to contact me or Fiona Rothwell directly.
Yours sincerely
s22
29
Email: COO to CLT SENT
BRIEF DETAILS
Name and area of CBIS – draft email from COO
business
Purpose
Draft email from Tom to the CLT notifying them of the proposal to commence early
engagement on the Sydney Consolidation Project proposal
Send date
6 November 2024
Sender
s22
Reviewers
s22
Final approval
s22
Suggested
CLT
distribution:
CC ET
Subject line
Update on the Sydney Consolidation Project
Dear colleagues
On 6 August, our Executive Team endorsed the recommendation to commence consultation with our
people in relation to a proposal that would see us exit from Eveleigh as soon as practicable (before June
2025). This proposal aims to relocate staff to a shared
activity-based working environment at our Marsfield
site.
As you are aware, the Sydney Consolidation Project has been running for several years. Over the last six
months there has been renewed movement in this project, with the recent decision to not pursue Bradfield
as an option, and the Board’s decision to transfer Lindfield’s title to the Department. At September ET153,
ET endorsed the recommendation that Marsfield become our primary Sydney site, and to commence
consultation with our people over consolidating our Sydney footprint. The proposal is to relocate our desk-
based Research and all Enterprise staff to a shared activity-based working environment at our Marsfield
site by June 2025. This proposal includes our people at Eveleigh, Lindfield and Westmead IQ Building.
This proposal is driven by CSIRO’s priority to support financial sustainability, and is in alignment with the
Property Strategy, as we continue to work towards ensuring our sites remain sustainable, safe, fit-for-
purpose, and vibrant. In addition to enabling flexible work, ET also considered site utilisation, ongoing
financial sustainability and our broader property footprint, as key drivers for the endorsement of the
proposal for Sydney site changes.
In line with our Enterprise Agreement, we propose to commence a period of early engagement with our
Sydney people via a townhall on 13 November 2024. The early engagement period wil run until 27
November. Once the period of early engagement has concluded, CSIRO will review the feedback received
from staff and unions during this time and commence a dedicated formal consultation period from mid to
late January for a period of 4 weeks. A recommendation will then be provided to ET by early March 2025.
CBIS is working with our Workplace Relations and the Communications teams for a whole of Sydney
approach.
30
Next Steps:
I’m proposing that CBIS lead the early engagement and consultation process, with your input.
I ask that you please review the fol owing proposal and proposed communication process:
The proposal is “for CSIRO to consolidate its Sydney footprint to our Marsfield site” (excluding
Lucas Heights). This activity will occur across two streams:
Stage 1: Desk-based RU and ES staff to relocate to a purpose-built activity-based working (ABW)
environment from June 2025 (This proposal includes our people at Eveleigh, Lindfield and
Westmead IQ Building).
Planning and design of the ABW space is underway as a priority, to enable the accommodation of
our Lindfield and Marsfield staff by June 2025. Pending the outcome of consultation, this space will
have flexibility to allow users from Eveleigh and Westmead too.
Stage 2: Relocation of Lindfield laboratory and workshop capability and remaining staff to purpose
built facilities at Marsfield by December 2029.
On 11 November I will send an invitation to our Sydney people to attend a webcast townhall, also
marking the beginning of the two weeks of early engagement.
Following the townhall, I will send an al -Sydney staff email notifying the commencement of the
early engagement period.
Workplace Relations will provide staff and unions with all relevant information in relation to the
proposed relocation once the dedicated consultation period commences in the coming weeks.
I ask that you use the early engagement and formal consultation periods as an opportunity to
discuss this proposal with your teams. We wil ask that any questions or feedback be sent to
xxxxxxxxxxxxxxxx@xxxxx.xx to be considered as part of the consultation process.
Our Executive Team is focused on safeguarding the future success of CSIRO and working to ensure what we
do supports our research impact and is delivered in a simple, efficient, and financially sustainable way.
If you have any questions, please feel free to contact me directly.
Yours sincerely
s22
31
Email: COO to Sydney Al Staff SENT 11/11
SENT 11 November 2024
BRIEF DETAILS
Name and area of CBIS – draft email from COO to
Sydney Al Staff
business
Purpose
Draft email from COO to Sydney Al Staff providing Update on Sydney Consolidation
Project (ahead of Town Hal invite)
Send date
11 November 2024
Sender
s22
Reviewers
s22
Final approval
s22
Suggested
Sydney All Staff
Cc:
distribution:
CLT, s22
s22
Subject line
Update on the Sydney Consolidation Project
s22
Sent: Monday, November 11, 2024 11:19 AM
s22
Subject: Sydney Consolidation Project
Dear all
In alignment with CSIRO’s Property Strategy, we continue to work towards ensuring our sites remain
sustainable, safe, fit-for-purpose, and vibrant. In addition to enabling flexible work, site utilisation, ongoing
financial sustainability and our broader property footprint are key drivers for site changes.
32
As you are aware, the Sydney Consolidation Project has been running for several years. Over the last six
months there has been renewed movement and resolution in this project, with the recent decision to not
pursue Bradfield as a Sydney accommodation option and the Board’s decision to transfer the Lindfield site
to the Department of Industry, Science and Resources (DISR).
As a result, we plan to commence early engagement on a proposal to relocate desk-based Research and
Enterprise teams currently at Lindfield, to an
activity-based working environment at our Marsfield site by
June 2025. Separately, relocation of Lindfield laboratory and workshop capability, and associated teams,
are planned for later to purpose-built facilities at Marsfield by December 2029. A dedicated consultation
process will be undertaken for this in due course.
In addition, the Executive Team have endorsed the recommendation to commence early engagement with
our people in relation to a proposal that would see us exit from the Eveleigh site as soon as practicable
(before June 2025). This proposal aims to relocate teams to an
activity-based working environment at our
Marsfield site as well.
In line with the Enterprise Agreement, we will commence a period of early engagement with all Sydney
staff via a townhall meeting tomorrow (12 November), for which you’ll receive an invite shortly . The early
engagement period wil run until 26 November 2024. Staff are encouraged to provide feedback and seek
clarification during the early engagement period by emailing
xxxxxxxxxxxxxxxx@xxxxx.xx.
Once the period of early engagement has concluded, CSIRO wil review the feedback received from staff
and unions, and then make a decision about developing a specific proposal for workplace change, which
would be tabled for a dedicated consultation period.
At the conclusion of the consultation process the outcomes of these discussions and al feedback received
wil inform the recommendations put to the Executive Team to enable them to make an informed decision
on the proposal.
We appreciate that this may be a difficult time for you and this update may create uncertainty. Please look
after yourself and each other.
Here you will find a range of resources to help support with navigating
workplace change. If needed, our support network of
Mental Health Champions or the
Employee
Assistance Program is available to you.
s22
Chief Operating Officer
CSIRO
s22
CSIRO acknowledges the Traditional Owners of the land, sea and waters, of the area that we live and work
on across Australia. We acknowledge their continuing connection to their culture and we pay our respects
to their Elders past and present.
CSIRO Australia’s National Science Agency | csiro.au
33
APPENDIX B: EARLY ENGAGEMENT
Meeting Invite: Al Sydney Staff – Townhal – SENT 11/11
BRIEF DETAILS
Name and area of s22
, Project Sponsor
business
Purpose
Meeting invite to al Sydney staff re. the Sydney Consolidation Project
Send date
11 November 2024
Sender
s22
Reviewers
s22
Final approval
s22
Suggested
All Sydney Staff
s22
distribution:
Subject line
Townhal – Sydney Consolidation Project Update
Hi all
34
As per my email today, please join s22
and I for a Sydney Consolidation Project townhall where
we wil discuss the developments across our Sydney property footprint.
Please join via the webcast link:
https://webcast.csiro.au/#/webcasts/sydneyconsolidationprojectupdate
For those who are unable to make it, a recording will be made available after the event.
s22
Chief Operating Officer
CSIRO
s22
CSIRO acknowledges the Traditional Owners of the land, sea and waters, of the area that we live and work
on across Australia. We acknowledge their continuing connection to their culture and we pay our respects
to their Elders past and present.
CSIRO Australia’s National Science Agency | csiro.au
35
Email: Post Townhal – ALL SYDNEY commencement of Early Engagement SENT 13/11
BRIEF DETAILS
Name and area of s22
Project Sponsor
business
Purpose
Draft email from Tom Munyard to al Staff re. Commencement of Early Engagement
Period
Include links to Town Hal recording, MyCSIRO Webpage and FAQs.
Send date
13 November 2024 – after the townhall meeting
Sender
s22
Reviewers
s22
Final approval
s22
Suggested
All Sydney Staff
Cc
distribution:
(same distribution list as Tom’s all
staff email 11/11/24)
s22
Subject line
Sydney Consolidation Project – Commencement of Early Engagement
Dear colleagues
Thank you to those who were able to join our town hall meeting yesterday to discuss the updated proposed
Sydney Consolidation Project. For those who were unable to attend, we have th
e recording now available.
36
We understand the invitation to attend was sent out with short notice and appreciate your understanding
about how difficult scheduling people across multiple sites is especially in the current environment.
As discussed at the town hal , the Sydney Consolidation Project has been running for a number of years.
Over the last six months there has been renewed movement in this project, with the recent decision to not
pursue Bradfield as an option, and the Board’s decision to transfer Lindfield’s title to the Department of
Industry, Science and Resources (DISR). In September, ET endorsed the recommendation for Marsfield to
become our primary Sydney site, and to commence consultation with our people over consolidating our
Sydney footprint.
What is being proposed
The proposal is for CSIRO to consolidate its Sydney footprint to our Marsfield site (excluding Lucas Heights,
North Ryde and Westmead).
Stage 1: Lindfield desk-based staff
We are commencing a period of early engagement on a proposal to relocate our desk-based Research Units
and Enterprise Services teams currently at Lindfield, to an
activity-based working (ABW) environment at
our Marsfield site by 30 June 2025.
Eveleigh
In addition, we are commencing early engagement with our people in relation to a proposal that would see
us exit from the Eveleigh site as soon as practicable (before 30 June 2025). This proposal aims to relocate
our Eveleigh teams to an ABW environment at Marsfield also.
Stage 2: Lindfield Laboratories and workshops
Separately, we propose a later relocation of our Lindfield laboratory and workshop capability, and
associated teams, to purpose-built facilities at Marsfield. This is proposed to happen by December 2029. A
dedicated consultation process wil be undertaken in due course for this phase of the proposed
relocations.
Early engagement and consultation
The early engagement period for consolidation of our Sydney sites commenced yesterday 12 November
and will run until 26 November 2024. Staff are encouraged to provide feedback and seek clarification
during the early engagement period by emailing
xxxxxxxxxxxxxxxx@xxxxx.xx.
Once the period of early engagement has concluded, CSIRO wil review feedback received from staff and
unions, before developing a specific proposal for workplace change. This proposal will be tabled for its own
dedicated consultation period.
Our Business and Infrastructure Services team (CBIS) is working with our Workplace Relations, People
Advisory and Communication for a whole of Sydney approach. CBIS will coordinate the early engagement
and consultation process with Douglas Bock, Jon Whittle, Marcus Zipper and Gail Fulton, Directors of the
largest Research Units at our Marsfield, Eveleigh and Lindfield sites, with input from all of you.
We have created an update
d Sydney Consolidation Project MyCSIRO page to keep you informed of the
process and this includes frequently asked questions, with more to be added fol owing on from the
questions received during the town hal . We welcome your feedback on this proposal at any time, and ask
you to send any questions to
xxxxxxxxxxxxxxxx@xxxxx.xx to be considered as part of the consultation
process.
Looking after yourself is important at this time. Please use ou
r free resources to help support you with
navigating our current workplace changes. We also remind you about our support network o
f Mental
Health Champions and our
Employee Assistance Program that is available to you.
37
Yours sincerely
s22
38
Email: FOR APPROVAL – Post Townhall – IR to CSIRO Staff Association/CPSU
commencement of Early Engagement
BRIEF DETAILS
Name and area of s22
Project Sponsor
business
Purpose
Draft email from IR Team to Staff Association re. Commencement of Early
Engagement Period
Send date
13 November 2024 – Immediately after the townhall meeting
Sender
s22
IR Manager
Reviewers
s22
Final approval
s22
Suggested
s22
distribution:
CSIRO Staff
Association/CPSU
Subject line
Early Engagement – Proposed consolidation of Sydney sites
Dear s22
Early Engagement – Proposed consolidation of Sydney sites I write to advise the Staff Association of the commencement of a period of early engagement
regarding CSIRO’s potential consolidation of several of its Sydney sites.
As you are aware, the Sydney Consolidation Project has been an active program of work since
2019. This project has progressed significantly in the last six months, due to:
• The recent decision to not pursue Bradfield as an option,
• The Board’s decision to transfer Lindfield’s title to the Department,
• A review of the ongoing financial sustainability of Sydney’s broader property footprint
inclduing investigation into site utilisation rates indicating an underutilisation of our Sydney
sites, and
• Executive Team endorsement of the recommendation to consolidate the Eveleigh and
Lindfield sites to the Marsfield site.
Accordingly, CSIRO today commenced a period of early engagement with staff members,
regarding the potential to relocate all staff located at Eveleigh, Lindfield and Westmead IQ
Building to a shared activity based working environment and new laboratory facilites at CSIRO’s
Marsfield site. This is in alignment with CSIRO’s Property Strategy, ensuring that our sites remain
safe, secure, vibrant, sustainable and fit-for-purpose.
39
CSIRO advised staff of the commencement of the early engagement period at a town hall meeting
and via email today, 12 November 2024. The text of that correspondence is below for your
reference. This will be followed by a series of local town halls, tailored to their unique potential
changes.
Next steps
The period of early enagagment that started today will conclude after a period of two weeks on 26
November 2024. CSIRO wil then consider al feedback provided and develop a proposal for a
period of consultation with staff and relevant unions before the end of December. If any changes
are adopted by CSIRO fol owing the conclusion of the consultation period, then CSIRO will
continue to consult with staff members and relevant unions throughout the implementation
process.
CSIRO is available to meet with the Staff Association in relation to this matter if required [insert
potential availability]. Please contact myself on s22
to discuss further if needed.
Regards,
s22
<Insert staff communications>
40
Email: ALL SYDNEY Reminder of the close of Early Engagement – SENT 21/11
BRIEF DETAILS
Name and area of s22
, Project Sponsor
business
Purpose
Draft email from Tom Munyard to al Staff reminding them of the upcoming close of
early engagement period
Send date
5 days prior to close email 20 November 2024
Sender
Tom Munyard
Reviewers
s22
Final approval
s22
Suggested
All Sydney Staff
Cc
distribution:
s22
Subject line
Sydney Consolidation Project – Early Engagement Concludes [DATE]
Dear colleagues
Thank you to those who have already provided feedback on the proposed consolidation to our Marsfield
site. Further information about the proposal, FAQs, and a copy of the Townhal webinar can be found on
the Sydney Consolidation Project MyCSIRO page <LINK>. I encourage you to review this proposal and
provide your feedback t
o xxxxxxxxxxxxxxxx@xxxxx.xx to be considered as part of the early engagement
process concluding on 26 November.
41
Our Executive Team is focused on safeguarding the future success of CSIRO and is working to ensure that
what we do supports our research impact and is delivered in a simple, efficient and financially sustainable
way.
We appreciate that there are a number of changes going on at present, and this may be a difficult time for
you. Please look after yourself and each other and refer to a range of resources that might help support
with you with navigatin
g workplace change. If needed, our support network o
f Mental Health Champions or
th
e Employee Assistance Program is available to you.
Regards
s22
42
Email: FOR APPROVAL FR to Sydney Consolidation Town Hal – not SENT
EMAIL DETAILS
Name and area of s22
, Acting Director CBIS
business
From the Property Strategy email address
Purpose
Following on from the Sydney Consolidation Town Hall this is a draft email to those
who asked questions via the Q&A function and chat during the Sydney
Consolidation Town Hal on Tuesday 12. November 2024.
Send date
Sender
Reviewers
s22
Final approval
s22
Suggested
distribution:
Subject line
Thank you. New Sydney Consolidation Projects FAQs now online
BODY CONTENT
Thank you for your contribution to the discussion and questions during the recent Sydney
Consolidation Project Town Hal on Tuesday 12, November 2024.
More than 75 questions were submitted through the Q&A function and another 70 in the chat. We
appreciate your patience while we categorised and answered key questions to make them available on the
Sydney Consolidation Project MyCSIRO page. Please see th
e updated frequently asked questions now
available from questions submitted during the Town Hal .
CSIRO is undergoing significant pressures and changes right now. We are asking everyone to be
professional and respectful as we plan for cost savings, upgrade outdated sites and move towards more
sustainable practices.
Early engagement started on 12 November and ends on 26 November 2024 for the proposal to move our
Sydney people onto a smal er number of refurbished or refreshed sites. The questions and feedback you
have contributed during this time wil help inform the final proposal.
If you have further insights, questions or feedback please share your thoughts by emailing
xxxxxxxxxxxxxxxx@xxxxx.xx.
Regards
s22
43
Email: Property Strategy Inbox to respondents – SENT 22/11
EMAIL DETAILS
Name and area of s22
business
From the Property Strategy email address
Purpose
Following on from the Sydney Consolidation Town Hall this is a draft email to those
who send feedback to the propertystrategy email address
Send date
Sender
s22 from Property Strategy inbox
Reviewers
s22
,
Final approval
s22
Suggested
distribution:
Subject line
Reply to email – no subject needed
BODY CONTENT
Thank you for your email and taking the time to share your feedback as part of this process. Your
insights and suggestions wil help inform the development of the final proposal.
We are regularly reviewing the incoming feedback and updating our
Frequently Asked Questions
page in response. Please check back regularly for updates.
The early consultation phase closes on 26 November at which point we wil review the feedback
and suggestions received to date and help inform the development of the final proposal. This
email address will remain open, please feel free to continue to share any further insights,
questions or feedback please share your thoughts by emailing
xxxxxxxxxxxxxxxx@xxxxx.xx. Kind regards
Property Strategy Team
44
Email: ALL SYDNEY CONCLUSION of Early Engagement – SENT 27/11
BRIEF DETAILS
Name and area of s22
Project Sponsor
business
Purpose
Draft email from Tom Munyard to al Staff re. Conclusion of early engagement
period
Send date
28 November 2024
Sender
s22
Reviewers
s22
Final approval
s22
Suggested
All Sydney Staff
distribution:
Subject line
Sydney Consolidation Project – Conclusion of Early Engagement
Dear colleagues
Thank you for contributing to the early engagement process over the proposed consolidation to our
Marsfield site.
The period of early engagement has now concluded. We will now review the feedback received from our
people and unions to inform next steps.
The next phase in this process is to commence formal consultation, this wil likely commence in mid-
January. This phase wil be informed by the feedback received during early engagement period. We wil
provide further information about this process in the coming weeks.
We’ll provide our people and the Staff Association with any additional relevant information in relation to
the proposed relocation once the dedicated consultation period commences in mid-January.
As part of the Sydney Consolidation Project activities currently underway, we have created
a MyCSIRO
Sydney Consolidation Project page with frequently asked questions that we will update as further
information emerges.
Please continue to send your questions, and feedback to
xxxxxxxxxxxxxxxx@xxxxx.xx to be considered as
part of the formal consultation process.
Our Executive Team is focused on safeguarding the future success of CSIRO and is working to ensure that
what we do supports our research impact and is delivered in a simple, efficient and financially sustainable
way.
45
We continue to share a range of resources that might help support you during this difficult time (see the
navigating
workplace change page). Also, please reach out to our support network o
f Mental Health
Champions or th
e Employee Assistance Program.
Regards
s22
46
Email: FOR APPROVAL –CSIRO STAFF ASSOCIATION CONCLUSION of Early Engagement
BRIEF DETAILS
Name and area of s22
, Project Sponsor
business
Purpose
Draft email from IR Team to Staff Association re. Conclusion of early engagement
period
Send date
TBA
Sender
s22
Reviewers
s22
Final approval
s22
Suggested
CSIRO Staff Association
distribution:
Subject line
Proposed Consolidation Of Sydney Sites – Conclusion of Early Engagement
Dear Susan,
Further to my email of DD November 2024 regarding the start of early engagement on a proposal to
consolidate some of CSIRO’s Sydney sites, I advise that the early engagement period closed on 26
November 2024. The advice sent to staff is below.
We wil be in touch when there are further developments.
Regards,
47
48
Email: FOR APPROVAL – Beginning of the year Update- SENT 23/1
BRIEF DETAILS
Name and area s22
Project Sponsor
of business
Purpose
Draft email from SPONSOR to all Staff re. end of year update on SCP2
Send date
23 January 2025
Sender
s22
Reviewers
s22
Final approval
s22
Suggested
All Sydney Staff as per previous
Cc
distribution:
email
s22
Subject line
Sydney Consolidation Project – Update on Process
Dear colleagues,
Thank you for contributing to the early engagement process for the proposed consolidation of Lindfield and
Eveleigh sites to Marsfield.
We’ve received a significant amount of feedback, which is being reviewed and will help inform the
development of the final proposal.
49
Our original aim was to commence formal consultation early this year. However, due to the amount of
feedback, we require additional time to work through your comments before we can develop a considered
and specific final proposal.
In relation to Eveleigh, I can assure you no decision has been made yet to exit the site. A decision wil only
occur after the conclusion of the formal consultation period, and any changes wil be worked through with
affected teams and their leadership. Until then, it is business as usual. However, to provide some clarity, to
ensure we allocate adequate time to thoroughly review feedback and prepare a detailed proposal it is
unlikely that, if the proposal is approved, any relocation to Marsfield will occur before 30 September 2025.
For our Lindfield people, we will be working with teams to identify how we can best rationalise our
footprint at Lindfield by 30 June 2025 to support the immediate requirements of NMI. Feedback from our
research units is to keep teams together, and not move desk-based people, or move people twice. So our
focus will be on consolidating as much as possible, while retaining our core laboratory capability at the
Lindfield site. Planning for this will recommence in the coming weeks.
More information will be available as we update th
e Sydney Consolidation Project page and
FAQs as the
projects progress. In the meantime, please continue to send your questions, and feedback to
xxxxxxxxxxxxxxxx@xxxxx.xx to be considered as part of the consultation process.
Supporting your wellbeing during this period of workplace change is a priority and as previously shared a
range of resources is available, as are ou
r Mental Health Champions or the
Employee Assistance Program.
Regards
s22
s22
Chief Operating Officer
CSIRO
s22
CSIRO acknowledges the Traditional Owners of the land, sea and waters, of the area that we live and work
on across Australia. We acknowledge their continuing connection to their culture and we pay our respects
to their Elders past and present.
CSIRO Australia’s National Science Agency | csiro.au
50
Dear colleagues
Thank you for contributing to the early engagement process for the proposed consolidation of
Lindfield and Eveleigh sites to Marsfield.
We’ve received a significant amount of feedback, which once reviewed will help inform the
development of the final proposal.
Our original aim was to commence formal consultation early in the New Year. However, due to the
amount of feedback, we require additional time to work through your comments before we can
develop a considered and specific final proposal.
In relational to Eveleigh, I can assure you no decision has been made yet to exit the site. A decision
wil only occur after the conclusion of the formal consultation period, and any changes wil be
worked through with affected teams and their leadership. Until then, it is business as usual.
To ensure we allocate adequate time to thoroughly review feedback and prepare a detailed
proposal it is unlikely that any relocation to Marsfield will occur before 30 September 2025.
For our Lindfield people, we wil be working with teams to identify how we can best consolidate
our presence at Lindfield. Feedback from our research units is to keep the teams together, and not
move desk-based people, or move people twice. So our focus will be on consolidating and handing
over as much space as possible to NMI, while retaining our core laboratory capability at the
Lindfield site. People from Enterprise Services and certain research unit teams will move to
Marsfield in September 2025. This work will recommence in the New Year.
More information will be available as we update the
Sydney Consolidation Project page and
FAQs
as the project progresses. In the meantime, please continue to send your questions, and feedback
t
o xxxxxxxxxxxxxxxx@xxxxx.xx to be considered as part of the consultation process.
As we enter the festive season ahead, please take a break and continue to look after yourself.
Supporting your wellbeing during this period of workplace change is a priority and as previously
shared
a range of resources is available, as are ou
r Mental Health Champions or the
Employee
Assistance Program. May you have a safe and happy holiday season.
Regards
s22
51
Email: FOR APPROVAL – Feedback from Early Engagement phase – NOT SENT
BRIEF DETAILS
Name and area of s22
, Project Sponsor
business
Purpose
Draft email from SPONSOR to al Staff re. Feedback from Early Engagement phase
Send date
[X] December 2024
Sender
s22
Reviewers
s22
Final approval
s22
Suggested
All Sydney Staff
distribution:
Subject line
Sydney Consolidation Project – Summary of Feedback from Early Engagement
Dear colleagues
Thank you for contributing to the early engagement process over the proposed consolidation to Marsfield.
The feedback we have received from you, and the unions focused on:
INSERT SUMMARY
These insights have been used to further inform the next stage of this process as we move to commence
formal engagement with you shortly.
The next phase of the process is to commence formal consultation for an additional three [3] weeks, this
process builds on the feedback received so far. Further information about this process will be provided
early next week.
The MyCSIRO Sydney Consolidation Project <LINK> page and FAQs wil be updated as further information
emerges. Please continue to send your questions, and feedback to
xxxxxxxxxxxxxxxx@xxxxx.xx to be
considered as part of the consultation process.
We appreciate that this may be a difficult time for you and this update may create uncertainty. Please look
after yourself and each other.
Here you will find a range of resources to help support with navigating
workplace change. If needed, our support network of
Mental Health Champions or the
Employee
Assistance Program is available to you.
Regards
s22
52
Email: FOR APPROVAL –CSIRO STAFF ASSOCIATION Feedback from Early Engagement – NOT SENT
BRIEF DETAILS
Name and area of s22
, Project Sponsor
business
Purpose
Draft email from IR Team to Staff Association re. . Feedback from Early Engagement
phase
Send date
TBA
Sender
s22
Reviewers
s22
Final approval
s22
Suggested
CSIRO Staff Association
distribution:
Subject line
Proposed Consolidation Of Sydney Sites – Conclusion of Early Engagement
Dear s22
Further to my email of DD November 2024 regarding the conclusion of early engagement on a proposal to
consolidate some of CSIRO’s Sydney sites, I advise that on DD December 2024 staff were provided with a
summary of the feedback obtained from them. The advice sent to staff is below.
This feedback will be considered by CSIRO and inform the development of a proposal which wil be subject
to formal consultation.
We wil be in touch when the formal consultation period starts.
Regards,
53
Email: FOR APPROVAL – Director CBIS to RU Directors re. Lindfield Stage 2 – SENT 23/1
BRIEF DETAILS
Name and area of s22
business
Purpose
Email to Minerals, Energy and Manufacturing RU Directors to commence thinking
about CSIRO’s full exit from Lindfield in response to ET Action item (due June 25)
Send date
23/1
Sender
s22
Reviewers
s22
Final approval
s22
Suggested
s22
s22
distribution:
Subject line
Lindfield capability relocation - ET Action Item
Dear Colleagues
As you are aware, late last year the Sydney Consolidation Project recommenced in earnest with the
proposal to make Marsfield our key Sydney site. As part of this, work is underway to action the Board’s
decision to exit from Lindfield, with the plan to transfer the title before 30 June 2025.
This work has been broken down into two stages, under the Sydney Consolidation Project:
•
Stage 1. The handover of al non-critical space to NMI by June 2025 (early scoping for the ET152
paper identified ~7000m2 of non-critical space from our current 11,000m2 footprint)
o This activity is currently underway the Sydney Property Team shortly be engaging with
Lindfield leaders and ROMs as they work through the identification and logistics around
handing over any non-critical space.
•
Stage 2. Relocation of the remaining capability from Lindfield by December 2029.
o Stage 2 requires further consideration and planning, to ensure that any capability relocated
from Lindfield remains aligned to CSIRO’s strategic priorities into appropriate new facilities.
In support of stage 2, ET have asked:
“ACTION153.4.1.1. Research Unit Directors to provide CBIS with their recommendations on where their
Lindfield staff should be relocated, within their broader strategy of consolidation for research areas,
guided by the POP work, for presentation to ET by June 2025.”
54
I understand that this is a significant piece of strategic work for you and your teams. CBIS will provide the
coordinated response back to the ET June meeting. We wil be checking in with each of your individual y
over the coming weeks and months to support you in as you work through this.
In the meantime, please let me know if the CBIS team can provide you with any assistance as you work
through your capability requirements and relocation options.
FR
55
APPENDIX C0: FORMAL CONSULTATION – ADMINISTRATIVE EMAILS
SENT - Email: SENT – Email froms22
briefing him of the process
BRIEF DETAILS
Name and area of CBIS – draft email from s22 to COO
business
Purpose
Email from s22
s22
giving the heads up on us proceeding with the
Sydney Consultation Project formal consultation and the process.
Send date
xx
Sender
s22
Director CBIS
Reviewers
s22
Final approval
s22
Suggested
s22
distribution:
Subject line
Proposed Sydney Consolidation Project Process Actions
Afternoon s22
As agreed at the February ET meeting, we are planning to proceed with the formal consultation process
with staff. As you know, due to the complexities of this project, we have decided to separate the formal
consultation process for Eveleigh and Lindfield staff. This will enable more targeted engagement with our
people and help to ensure the messaging can be a clear as possible. Both these consultation processes will
run concurrently for four weeks, following two site specific townhall meetings (Lindfield and Eveleigh)
(draft presentations attached). I ask that you host the townhal s with support from myself and the key RU
Directors.
The proposed communication process is outlined below.
7 days prior to the townhall(s)
1. You to write to CLT to advise them of the outcome of ET157 and update them on the timing and
process for formal consultation. (
email 1 attached).
5 days prior to the townhall(s)
2. Send an outlook invitation to our
Lindfield people to attend a webcast townhal , also marking the
beginning of the four week formal consultation period (
draft email 2 attached). I ask that you host
the townhall with myself as part of the panel.
3. Send an outlook invitation to our
Eveleigh people to attend a webcast townhal , also marking the
beginning of the four week formal consultation period (
draft email 3 attached). I ask that you host
the townhall with Jon Whittle, and Gail Fulton and myself as part of the panel (I wil write to Jon and
Gail to invite them to participate).
Following the townhall
56
4. Following the townhall, send an email to
Lindfield staff notifying of the commencement of the formal
consultation period
(draft email 4 attached).
5. Following the townhall, send an email to
Eveleigh staff notifying of the commencement of the formal
consultation period
(draft email 5 attached).
6.
Concurrently I wil write to the staff association notifying them of the commencement of
formal consultation.
The consultation period will be open to all Sydney staff to participate should they wish to. However, we will
restrict the townhal invites to just the affected site.
HR/Workplace Relations and Comms have approved the proposed process and messaging. The media team
has been briefed as a priority.
Following the conclusion of the formal consultation period a formal recommendation will be put to ET for
decision. If the proposal to relocate to Marsfield is supported by ET, then staff will be provided their three
months written notice to enable an exit during December 2025.
Please let me know if you anticipate any issues with this way forward. We will begin to work with Barb on
identifying appropriate dates and times for the townhall meetings, and work with her to send the emails
out at the appropriate times.
Many thanks
s22
57
Email: SENT – Email from FR to Tom re. MVP for SCP
From: s22
Sent: Thursday, March 13, 2025 7:16:26 AM
s22
Subject: Marsfield - Stage 2 Capital Process
Hi s22
In anticipation of your Stage 2 Capital Process this morning, I wanted to update you on Marsfield.
As you know, the team have been working on refining what a move to Marsfield looks like for Eveleigh and
Lindfield desk-based staff.
The current option is for refurbishment of P/Q wings in Building 001 and following investigations into the
building, the refurbishments will trigger significant works that would be required to bring the building to
code and address significant maintenance backlog, noting the building is wel past due a mid-life refit. If we
proceed along those lines, it's unlikely the ~$16m cost estimate for this can be reduced by much and puts
timelines at risk.
Noting the significant cost (and risk) associated with refurbishing Building 001 (P / Q wings) and the
corresponding oversubscription for capital for the next financial year, we have developed an "MVP" option
– a $3-5m ask (and in line with previously ET approved budget of $3m).
If you’re amenable, the MVP option we propose to take to staff as part of consultation is as follows:
1. A pivot to E/F wings at Marsfield (these are already quite open spaces and would require minimal,
if any, refurbishment) to add more desks. The existing desks wil need to become unal ocated and
available for all staff. The building these wings are situated in is also one of the newest on site (stil
30 years old) but post the least risk from a maintenance perspective.
2. Capital allowance for housing D61 compute capability from Eveleigh – we would ask your
assistance in encouraging s22
make some cal s around how much tech space they need at
Marsfield given current utilisation at Eveleigh.
3. Utilisation of the Westmead site as part of the solution for relocations (current lease exp. 2032).
The site currently has 55 desks under an ABW arrangement, with the possibility of adding several
more desks / converting the unused clinic space into meeting rooms / bookable offices etc.
This will allow for ~140 desks across Westmead and Marsfield for approximately 439 staff (336 CSOF/103
Affiliates) from Eveleigh, and Stage 1 Lindfield relocations (50 CSOF/1 Affiliate), and for existing staff at
Westmead and in E/F wings at Marsfield. This equates to
a 30-40% utilisation rate and noting current low
utilisation at Eveleigh and Westmead is between 18 - 25%, we believe this will provide sufficient capacity
in the first instance.
As a contingency, existing desks (much larger than standard) could be replaced in P/Q wings if required, to
allow for more spaces which would increase the allowable utilisation rate, however we can defer this until
such time demand is understood (minimising unnecessary disruption to existing staff in P/Q wings for now).
Furthermore, we host a tenant at Westmead (400m2) whose lease expires in 2027 (unless they exit earlier),
allowing for several more desks should they be needed in future.
Subject to your support for this MVP approach, we can tailor the Town Hal Presentation / upcoming
comms accordingly.
s22
58
The table below outlines the number of affected staff, the total number of desks available and the current
attendance at each site for context.
Site
Number of
Number of
Number of Possible
Total possible
staff (SAF)
desks
Staff
increase to
unal ocated
attending number of
desks
site daily
desks
Lindfield Stage 51 (50
n/a
~16
n/a
1
CSOF+1
Affiliate)
Eveleigh
305
n/a
~50
n/a
(212 CSOF +
93 Affiliates)
Westmead
55 (46 CSOF + 55
~15
8
63
9 Affiliates)
without
refurbishment
Marsfield E
26
39
~3
0
39
Marsfield F
2
23
2
15-20
~40
without
refurbishment
TOTAL
336 CSOF
117 currently ~86 staff
~25 new desks
~140
103 Aff.
currently
439 TOTAL
s22
Director
Business and Infrastructure Services | CSIRO
s22
Clunies Ross Street, Acton ACT 2601
59
Email: SENT – Email from s22
re. participating in townhal
BRIEF DETAILS
Name and area of CBIS
business
Purpose
Email from s22
inviting them to be part of the
panel for the Eveleigh Town hal
Send date
xx
Sender
s22
Director CBIS
Reviewers
s22
Final approval
s22
Suggested
s22
distribution:
Subject line
Sydney Consolidation Project – Invite to participate in the Eveleigh townhal
Good afternoon s22
As agreed at the February ET meeting, and as per s22 email, we are planning to proceed with the formal
consultation process with staff on the following proposals:
• To make Marsfield our key Sydney site
• To exit Eveleigh and
• Reduce our footprint at Lindfield relocating to an activity based working (ABW) environment at
Marsfield from the new date of December 2025.
Due to the complexities of this project, we have decided to separate the formal consultation process for
Eveleigh and Lindfield staff. This will enable more targeted engagement with our people and help to ensure
the messaging can be a clear as possible. Both consultation processes will run concurrently for four weeks,
following two site specific townhall meetings (Lindfield and Eveleigh). s22
will host the townhall
webinars with support from myself.
For the Eveleigh townhall, we would like to invite you to be part of the panel to assist in answering
questions from our people.
For your information a draft Eveleigh presentation is attached. Please let me know if you have any feedback
or questions.
Thank you for your support
Regards
s22
60
61
Email: FOR APPROVAL – Email froms22
and cc Site Leaders re. proposal for
Westmead
BRIEF DETAILS
Name and area of CBIS – draft email s22
business
Purpose
Email from s22
and cc Site Leaders re. proposal for
Westmead
Send date
20 or 21 March
Sender
s22
Reviewers
s22
Final approval
s22
Suggested
s22
distribution:
Subject line
Update – Sydney Consolidation Project
Dears22
As you are aware, at September 2024 ET153, CSIRO resolved to commence early engagement with staff over
the proposal to make Marsfield CSIRO’s key Sydney site, with the proposal to exit Eveleigh and the relocation
of Lindfield desk-based staff to an ABW environment at Marsfield from June 2025.
In response to the extensive feedback received from the early consultation process, a revised proposal has
been developed. The final proposal responds CSIRO’s priority to support financial sustainability, slightly
revised scope and timelines for completion and relevant relocations (from Lindfield and Eveleigh) from 30
June 2025 to December 2025.
The most significant change relates to the use of Westmead.
The original proposal saw staff relocating to an ABW environment at Marsfield. However, it has become
apparent that due to timeframes, and concerns over access to the site there is an appetite to extend the
proposal to enable staff to relocate to Marsfield or Westmead from December 2025. Specifically, Westmead
ABW space will be opened up to CSIRO staff as an option for relocation from sites proposed to be exited.
The revised proposal will be put to staff in the coming weeks as part of formal Consultation kick off. Noting
H&B staff at Westmead are now impacted by this proposal, they will be invited to participate in the formal
consultation process.
Happy to meet with you to discuss this further.
62
Regards
s22
63
Email: FOR APPROVAL – Email froms22
and cc Site
Leaders re. proposal for E & F Marsfield
BRIEF DETAILS
Name and area of CBIS – draft email FR to CFO and S&A and D61
business
Purpose
s22
Send date
20 or 21 March
Sender
s22
Reviewers
s22
Final approval
s22
Suggested
s22
distribution:
Subject line
Update – Sydney Consolidation Project
Dear s22
As you are aware, at September 2024 ET153, CSIRO resolved to commence early engagement with staff over
the proposal to make Marsfield CSIRO’s key Sydney site, with the proposal to exit Eveleigh and the relocation
of Lindfield desk-based staff to an ABW environment in the Q wing at Marsfield from June 2025.
In response to the extensive feedback received from the early consultation process, a revised proposal has
been developed. The final proposal responds CSIRO’s priority to support financial sustainability, slightly
revised scope and timelines for completion and relevant relocations (from Lindfield and Eveleigh) from 30
June 2025 to December 2025.
The most significant change relates to using E & F wings in the first instance, with the possibility of P & Q
should the need arise. The reason for this change is due to the potential risks over the latent conditions of
the building, impacting both time and budget for the project.
64
Additionally, Westmead ABW space wil be opened up to CSIRO staff as an option for relocation from sites
proposed to be exited.
The revised proposal will be put to staff in the coming weeks as part of the commencement of formal
consultation. To enable the refurbishment of E&F a small number of Marsfield staff in E & F wings will be
relocated to suitable accommodations within the building. We will work with affected staff to arrange
relocation to a suitable alternative location.
Happy to meet with you to discuss this further.
Regards
s22
65
Email: FOR APPROVAL – Email from s22
to ED/CLT re. SCP Formal Consultation Process –
REVISED 18 MARCH 2025
BRIEF DETAILS
Name and area of CBIS – draft email s22 to ED/CLT
business
Purpose
Email from s22
providing update on Sydney Consolidation Process –
commencement of formal consultation.
Send date
21 March or Monday 24 March
Sender
s22
Reviewers
s22
Final approval
Fiona Rothwell
Suggested
ED’s
distribution:
CLT
ROMS
Subject line
Update – Sydney Consolidation Project
Dear colleagues
As you are aware, at September 2024 ET153, CSIRO resolved to commence early engagement with staff over
the proposal to make Marsfield CSIRO’s key Sydney site, with the proposal to exit Eveleigh and the relocation
of Lindfield desk-based staff to an ABW environment at Marsfield from June 2025.
In line with our Enterprise Agreement we commenced a period of early engagement from 13 November 2024
closing on 27 November 2024. Over 290 points of feedback were received during the early engagement
period that need consideration, with the majority of responses from Eveleigh staff. The most significant is
the overwhelming view that a loss CBD presence would significantly impact our reputation, ability to attract
and retain talent, collaboration opportunities and hold impactful events (due to its proximity to the airport);
and that this move will lead to decreased vibrancy as more people will work from home due to the increase
in travel time and cost posing a psychological risk due to an increase in social isolation or decrease in work-
life balance from increased travel time.
In response to the feedback received several options to retain a CBD were assessed and presented to ET.
Ultimately the most feasible option is for CSIRO to no longer continue with a CBD presence. A revised
proposal, and timeline was presented and approved by ET at the ET157 meeting. The final proposal responds
CSIRO’s priority to support financial sustainability and includes slightly revised scope and timelines for
completion and relevant relocations (from Lindfield and Eveleigh) from 30 June 2025 to December 2025,
allowing for a decompressed program, with consideration to additional needs identified during early
engagement and to prevent movement of staff multiple times.
66
What is being proposed
Marsfield as CSIRO’s key Sydney site
The proposal is for CSIRO to consolidate its Sydney footprint to our Marsfield site
(excluding Lucas Heights, North Ryde and Westmead).
For the
Westmead ABW environment to be made available to our Sydney people, as an option for
relocation from the sites proposed to be exited (Eveleigh and Lindfield).
Eveleigh
That CSIRO does not seek to renew the lease at Eveleigh on expiry in June 2026 with a full exit from
Eveleigh during December 2025, relocating staff to an ABW environment at Marsfield or
Westmead.
Lindfield
Stage 1: Lindfield desk-based staff
For ES staff from Lindfield to be relocated to an ABW environment at Marsfield or Westmead,
during December 2025.
In addition, in the interim, in order for CSIRO to meet our commitment to hand back space DISR,
CSIRO must rationalise our existing Lindfield footprint, with staff consolidating to a minimum space
(3599m2 laboratory and workshop, and 724m2 of office accommodation) by 30 June 2025. Work is
already underway with the affected areas.
Stage 2: Full exit from Lindfield (for information)
In line with our commitment to DISR, CSIRO will exit all capability from Lindfield by December 2029,
with planning regarding the relocation of our Lindfield laboratory capability underway with
Research Unit leaders. Stage 2 is outside of the scope for this consultation process and will undergo
a separate consultation process in due course.
Formal consultation
The four-week formal consultation period will commence with an all Sydney townhall, at
11.00am AEDT on
Monday 31 March, concluding on Monday 28 April 2025. Fol owing the conclusion of the formal
consultation period, a feedback report and final recommendation wil be put to ET for decision in May
2025.
Next Steps:
CBIS will lead the formal consultation process.
• On Monday 24 March the COO wil send an invitation to our Sydney people to attend a virtual townhall, also
marking the beginning of the four weeks of formal consultation.
• Fol owing the townhal s, the COO wil send an al Sydney staff email notifying the commencement of the
formal consultation period.
• Workplace Relations wil provide staff and unions with al relevant information in relation to the proposed
relocation once the dedicated consultation period commences in the coming weeks.
I ask that you use the formal consultation period as an opportunity to discuss this proposal with your
teams. We wil ask that any questions or feedback be sent to
xxxxxxxxxxxxxxxx@xxxxx.xx to be considered
as part of the consultation process.
67
Our Executive Team is focused on safeguarding the future success of CSIRO and working to ensure what we
do supports our research impact and is delivered in a simple, efficient, and financially sustainable way.
If you have any questions, please feel free to contact me directly.
Yours sincerely
s22
68
69
Email: FOR APPROVAL – Email from Workplace Relations to Staff Association re. commencement of
formal consultation
BRIEF DETAILS
Name and area of CBIS – draft email from Workplace Relations to Staff Associ.
business
Purpose
To inform the Staff Association of the commencement of formal consultation
period
Send date
xx
Sender
s22
Reviewers
s22
Final approval
Suggested
Staff Association
distribution:
Subject line
FWD: Sydney Consolidation Project – formal consultation period
[ATTACH emails send to Eveleigh and Lindfield staff post townhall]
Dear s22
Please be advised that the Sydney Consolidation Project has entered into a four week period of formal
consulation with our people. The advice sent to staff is attached.
We wil be in touch when there are further developments.
Regards,
70
APPENDIX C00: FORMAL CONSULTATION – SYDNEY – REVISED APPROACH 7 March
Email: FOR APPROVAL – Invite to Sydney Townhal
BRIEF DETAILS
Name and area s22
Project Sponsor
of business
Purpose
SPONSOR to Sydney staff and affiliates re. Sydney Consolidation Project and
commencement of formal consultation
Send date
Sender
s22
Reviewers
s22
Final approval
s22
Suggested
All Sydney Staff and Affiliates
Cc
distribution:
CLT
ROMs
s22
Subject line
Sydney Townhall
Hi all,
Further to the period of early engagement from 11 November 2024 to 26 November 2024, and
acknowledging it has been a few months since we last communicated with you, I would like to thank you
for your patience and for the extensive feedback provided throughout the early engagement process.
71
We are now moving into the formal consultation phase for the proposed consolidation of Sydney sites, with
this Townhal with our Sydney staff, hosted by s22
and myself, marking
the beginning of the four-week consultation period.
Please join us as we provide you with an update on CSIRO’s Sydney Consolidation Project and to provide an
opportunity for questions, feedback or concerns you may have, with a particular focus on the impacts for
our people.
More information will be available as we update th
e Sydney Consolidation Project page and
FAQs as the
projects progress. In the meantime, please continue to send your questions, and feedback to
xxxxxxxxxxxxxxxx@xxxxx.xx to be considered as part of the consultation process.
s22
Chief Operating Officer
CSIRO
s22
s22
s22
CSIRO acknowledges the Traditional Owners of the land, sea and waters, of the area that we live and work
on across Australia. We acknowledge their continuing connection to their culture and we pay our respects
to their Elders past and present.
CSIRO Australia’s National Science Agency | csiro.au
72
Talking Points for Sydney Townhal
s22
Slide 2
• Acknowledgement of country.
• Thank you to all who took the time to provide feedback in the early consultation period. Originally we
had hoped to commence formal consultation earlier, however due to the extensive feedback received
we required additional time to explore differing options to inform the revised proposal.
Slide 3
We continue to consider our Sydney footprint as part of the broader CSIRO property strategy with a
view to consolidating our presence, where feasible, to meet our research priorities. One of the key
driving factors is to ensure CSIRO’s ongoing financial sustainability.
• We have six CSIRO sites in Sydney – Eveleigh, Lindfield, Lucas Heights, Marsfield, North Ryde, and
Westmead (1Q and REN buildings).
• As I mentioned in November at our last townhall. Some decisions have already been made:
o In October 2024, the CSIRO Chief Executive advised the Bradfield Development Authority of our
intention to withdraw from the proposal for a CSIRO consolidation to Bradfield in any capacity,
noting that Infratech / Fire Testing is still under consideration.
o On 15 May 2024 the CSIRO Board resolved to transfer the title of CSIRO’s Lindfield site to the
Department of Industry, Science and Resources (DISR). CSIRO has committed to significantly
reducing its footprint at Lindfield by June 2025 and have resolved to exit the site in entirety by
2029.
o In September 2024, ET endorsed the recommendation that Marsfield become our primary
Sydney site
o Our Eveleigh site is approaching lease expiry in 2026. Our site utilisation rates have remained
relatively stable across the portfolio over the last two-years (noting the expected dip in
December and January due to the summer holidays). Eveleigh remains is significantly
underutilised (18%), compared to CSIRO’s average utilisation rate of 51%.
Slide 4
In line with the Enterprise Agreement, we completed two weeks of early engagement on 26
November 2024.
Since then, we have been working through the extensive feedback received and have
undertaken additional investigations to inform the following revised proposal that was
endorsed by the Executive Team at our February meeting.
Today we commence a period of formal consultation
Due to the complexity of this program of work, and differing timeframe and requirements, we
have split the formal consultation into two streams:
1. Eveleigh, and
2. Lindfield stage 1 relocation
All staff are welcome to participate in both consultation periods should they wish to.
These formal consultation periods will run for four weeks until
XXDATE.
At the conclusion of this period your feedback will be reviewed.
73
The outcomes of this process wil inform the recommendation to the Executive Team for
decision in
MARCH/APRIL. As mentioned previously we wil share with you the outcomes from the consultation process.
• We understand that there is a lot of change happening at CSIRO right now, it’s worth noting that this
proposal is separate to ES reform processes currently underway.
• I will now hand over to Fiona to go through the proposal in further detail.
s22
refer presentation):
Slides 5-13: Notes in presentation
Key points:
Proposal for Consultation:
• As s22 mentioned, ET at their February meeting endorsed the revised proposal, for Marsfield become
our primary Sydney site, and to commence formal engagement with our people over consolidating our
Sydney footprint to Marsfield. Due to the complexities of this project the formal consultation will run
concurrently in two streams: Eveleigh and Lindfield.
For Eveleigh
• A full
exit from Eveleigh during December 2025, relocating staff to an ABW environment at Marsfield
(noting Eveleigh’s lease expiry in June 2026 – we do not have to give 12months notice, but we said we
would as a courtesy)
For our Lindfield people:
• All ES staff will be relocated to a generic ABW environment at Marsfield during December 2025.
• And just for completeness for Lindfield stage 2 – it is the full exit of all capability by December 2029 is
NOT part of this formal consultation process. Additional planning work is currently underway with RU
Directors and Leaders and a separate process wil be undertaken in due course.
For Marsfield
• For staff at Marsfield, there will be increased numbers at the site which will hopefully enhance
collaboration opportunities and contribute to site vibrancy. The space to be refurbished at Marsfield –
which wil be completed regardless of outcomes of consultation to enable greater efficiency in our
work spaces at Marsfield - will also accommodate staff already occupying the space and there will be
some short term impact as we undertake the works.
Other sites
o There are no current planned changes to Lucas Heights
o At this stage, we are also not factoring in a move of Infratech capability from North Ryde to
Marsfield.
o The future of our Westmead site is under review and wil be considered in future.
Process for Consultation/Next Steps
74
• In line with the Enterprise Agreement, today (XXDATE) we commence a period of formal consultation
on the proposal for Marsfield becoming our primary Sydney site, to relocate Lindfield ES staff and
Eveleigh staff to a generic ABW environment at Marsfield during December 2025. 30 June 2025.
• This period of formal consultation will run until
XXDATE. • Once the period of formal consultation has concluded, CSIRO will review the feedback received from
staff and unions and develop a recommendation for endorsement by ET in DATEXX.
• In line with the Enterprise Agreement, should the proposal to relocate to Marsfield be supported
affected staff wil received written notice three-months prior to the proposed move date, so in this case
before September 2025.
Notes for Jon Whittle – Data 61
• This provides Data 61 the opportunity to co-locate with colleagues based at Marsfield.
• With current occupancy at Eveleigh so low, the move to Marsfield supports us increasing site vibrancy.
• The move also provides Data 61 with the opportunity to move to an ABW environment, consistent with
Clayton site.
• Our future plan is to have all our people working in an ABW environment to provide consistency and
the ability to work across different site seamless.
• The ABW team is cognisant of the specific needs of Data61 and how we work, with the ABW space able
to accommodate this, as it has done at Clayton.
Notes for Gail Fulton – Science Connect
• While this move takes us away from the CBD, it presents an opportunity for the team to enhance our
stakeholder engagement in a more location-agnostic and accessible way.
• Due to the strength of our brand, reputation and established networks the Executive’s view is that the
relocation will not impact our engagement with stakeholders with many of our Marsfield colleagues
maintaining strong industry connections and student engagement already.
A move into an ABW environment supports the flexible way that we work.
75
Email: FOR APPROVAL – Sydney post Townhal and commencement of formal consultation period
BRIEF DETAILS
Name and area s22
, Project Sponsor
of business
Purpose
SPONSOR to all Sydney Staff and affiliates cc. all Sydney Staff re. Post
Lindfield Townhal and commencement of formal consultation
Send date
Sender
s22
Reviewers
s22
Final approval
s22
Suggested
All Sydney staff and affiliates
Cc
distribution:
All Sydney Staff
s22
CLT
ROMS
Subject line
Sydney Consolidation Project – Commencement of the formal consultation
period
Hi all,
Thank you to those who joined the Townhal , and for your contributions and feedback on the
proposal underpinning activities underway for the Sydney Consolidation Project (SCP) and our
future presence at Eveleigh and Lindfield.
A recording of the Sydney Townhal can be accessed here:
As discussed, the SCP is a complex undertaking affecting Eveleigh and Lindfield as we move
towards exiting these sites, and Marsfield and Westmead as we welcome an additional 350 staff
and affiliates onto these sites.
What is being proposed
76
Marsfield as CSIRO’s key Sydney site
The proposal is for CSIRO to consolidate its Sydney footprint to our Marsfield site (excluding Lucas
Heights, North Ryde and Westmead).
Westmead
For the Westmead ABW environment to be made available as an option for our people relocated
from Eveleigh and Lindfield.
Eveleigh
That CSIRO does not seek to renew the lease at Eveleigh on expiry in June 2026 with a full exit
from Eveleigh during December 2025, relocating staff to an ABW environment at Marsfield or
Westmead.
Stage 1: Lindfield desk-based staff
For Enterprise Services (ES) staff located at Lindfield to be relocated to an Activity Based Working
(ABW) environment at Marsfield or Westmead, during December 2025.
Additional y, and in the interim, in order for CSIRO to meet our commitment to hand back 6,925m2
of space to DISR, we must undertake a rationalisation of CSIRO’s existing Lindfield footprint. This
wil entail staff consolidating to a minimum space (3599m2 laboratory and workshop, and 724m2
of office accommodation) by 30 June 2025. We envisage this being a minimal impact activity with
no impact to scientific operations. Some ES staff will need to temporarily relocate to non-assigned
workstations in shared office accommodation ABW environment from June 2025 ahead of
relocation to Marsfield or Westmead during December 2025.
Stage 2: Full exit from Lindfield (for information)
In line with our commitment to DISR, CSIRO will exit all capability from Lindfield by December
2029. Planning regarding the relocation of our Lindfield laboratory capability is already underway
with Research Unit leaders. Stage 2 is outside of the scope for this consultation process and will
undergo a separate consultation process in due course.
Formal consultation
The formal consultation period for consolidation of our Sydney sites commenced 31 March 2025
and will run until Monday 28 April 2025. Fol owing this period feedback wil be consolidated to
inform recommendations to be put to the Executive Team for decision in May. Staff and unions
are encouraged to provide feedback and seek clarification during the early engagement period by
emailing
xxxxxxxxxxxxxxxx@xxxxx.xx.
Our Business and Infrastructure Services team (CBIS) is working with our Workplace Relations,
People Advisory and Communication for a whole of Sydney approach. CBIS will coordinate the
consultation process with Douglas Bock, Jon Whittle, Marcus Zipper, Gail Fulton, and Brett Sutton,
Directors of the largest Research Units at our Marsfield, Eveleigh, Lindfield, and Westmead sites,
with input from al of you.
Further updates will be available at
Sydney Consolidation Project page, its underlying site pages, and
FAQs as the project progresses. In the meantime, please continue to send your questions, and
feedback to
xxxxxxxxxxxxxxxx@xxxxx.xx to be considered as part of the consultation process.
77
Supporting your wellbeing during this period of workplace change is a priority and as previously
shared
a range of resources is available, as are ou
r Mental Health Champions or the
Employee
Assistance Program.
s22
Chief Operating Officer
CSIRO
s22
s22
CSIRO acknowledges the Traditional Owners of the land, sea and waters, of the area that we live
and work on across Australia. We acknowledge their continuing connection to their culture and we
pay our respects to their Elders past and present.
CSIRO Australia’s National Science Agency | csiro.au
78
APPENDIX C1: FORMAL CONSULTATION - LINDFIELD
Email: OLD – Invite to Lindfiled Townhal
BRIEF DETAILS
Name and area s22
, Project Sponsor
of business
Purpose
SPONSOR to Lindfield staff cc. all Sydney Staff re. Lindfield Townhall and
commencement of formal consultation
Send date
Sender
s22
Reviewers
s22
Final approval
s22
Suggested
All Lindfield staff
Cc
distribution:
s22
79
Subject line
Lindfield Townhal
Dear Colleagues
Please join me for a Lindfield Townhal wheres22
and I wil provide an update on CSIRO’s
Sydney Consolidation Project and open the floor to any questions, feedback or concerns you may have,
with a particular focus on the impacts to our Lindfield people.
More information will be available as we update th
e Sydney Consolidation Project page and
FAQs as the
projects progress. In the meantime, please continue to send your questions, and feedback to
xxxxxxxxxxxxxxxx@xxxxx.xx to be considered as part of the consultation process.
Regards
s22
80
Talking Points for Lindfield Townhal
s22
Slide 2
• Acknowledgement of country.
• Thank you to al who took the time to provide feedback in the early consultation period. Originally we
had hoped to commence formal consultation earlier, however due to the extensive feedback received
we required additional time to explore differing options to inform the revised proposal.
Slide 3
We continue to consider our Sydney footprint as part of the broader CSIRO property strategy with a
view to consolidating our presence, where feasible, to meet our research priorities. One of the key
driving factors is to ensure CSIRO’s ongoing financial sustainability.
• We have six CSIRO sites in Sydney – Eveleigh, Lindfield, Lucas Heights, Marsfield, North Ryde, and
Westmead (1Q and REN buildings).
• As I mentioned in November at our last townhall. Some decisions have already been made:
o In October 2024, the CSIRO Chief Executive advised the Bradfield Development Authority of our
intention to withdraw from the proposal for a CSIRO consolidation to Bradfield in any capacity,
noting that Infratech / Fire Testing is still under consideration.
o On 15 May 2024 the CSIRO Board resolved to transfer the title of CSIRO’s Lindfield site to the
Department of Industry, Science and Resources (DISR). CSIRO has committed to significantly
reducing its footprint at Lindfield by June 2025 and have resolved to exit the site in entirety by
2029.
o In September 2024, ET endorsed the recommendation that Marsfield become our primary
Sydney site
o Our Eveleigh site is approaching lease expiry in 2026. Our site utilisation rates have remained
relatively stable across the portfolio over the last two-years (noting the expected dip in
December and January due to the summer holidays). Eveleigh remains is significantly
underutilised (18%), compared to CSIRO’s average utilisation rate of 51%.
Slide 4
In line with the Enterprise Agreement, we completed two weeks of early engagement on 26
November 2024.
Since then, we have been working through the extensive feedback received and have
undertaken additional investigations to inform the following revised proposal that was
endorsed by the Executive Team at our February meeting.
Today we commence a period of formal consultation
Due to the complexity of this program of work, and differing timeframe and requirements, we
have split the formal consultation into two streams:
1. Lindfield stage 1 relocation, and
2. Eveleigh
All staff are welcome to participate in both consultation periods should they wish to.
These formal consultation periods will run for four weeks until
XXDATE.
At the conclusion of this period your feedback will be reviewed.
81
The outcomes of this process wil inform the recommendation to the Executive Team for
decision in
MARCH/APRIL. As mentioned previously we wil share with you the outcomes from the consultation process.
• We understand that there is a lot of change happening at CSIRO right now, it’s worth noting that this
proposal is separate to ES reform processes currently underway.
• I will now hand over to Fiona to go through the proposal in further detail.
s22
refer presentation):
Slides 5: Notes in presentation Slides 5-13: Notes in presentation
Key points:
Proposal for Consultation:
• As s22 mentioned, ET at their February meeting endorsed the revised proposal, for Marsfield become
our primary Sydney site, and to commence formal engagement with our people over consolidating our
Sydney footprint to Marsfield. Due to the complexities of this project the formal consultation wil run
concurrently in two streams: Lindfield and Eveleigh.
For our Lindfield people:
• All ES staff will be relocated to a generic ABW environment at Marsfield during December 2025.
• In the interim we will be working with RUs to consolidate our footprint at Lindfield in order to meet our
obligation to the Department to handover non-essential space.
• And just for completeness for Lindfield stage 2 – it is the full exit of all capability by December 2029 is
NOT part of this formal consultation process. Additional planning work is currently underway with RU
Directors and Leaders and a separate process will be undertaken in due course.
For Eveleigh
• A full
exit from Eveleigh during December 2025, relocating staff to an ABW environment at Marsfield
(noting Eveleigh’s lease expiry in June 2026 – we do not have to give 12 months’ notice, but we said we
would as a courtesy)
For Marsfield
• For staff at Marsfield, there will be increased numbers at the site which will hopefully enhance
collaboration opportunities and contribute to site vibrancy. The space to be refurbished at Marsfield –
which wil be completed regardless of outcomes of consultation to enable greater efficiency in our
work spaces at Marsfield - will also accommodate staff already occupying the space and there will be
some short term impact as we undertake the works.
Other sites
o There are no current planned changes to Lucas Heights
o At this stage, we are also not factoring in a move of Infratech capability from North Ryde to
Marsfield.
o The future of our Westmead site is under review and wil be considered in future.
Process for Consultation/Next Steps
82
• In line with the Enterprise Agreement, today (XXDATE) we commence a period of formal consultation
on the proposal for Marsfield becoming our primary Sydney site, to relocate Lindfield ES staff and
Eveleigh staff to a generic ABW environment at Marsfield during December 2025. 30 June 2025.
• This period of formal consultation will run until
XXDATE. • Once the period of formal consultation has concluded, CSIRO will review the feedback received from
staff and unions and develop a recommendation for endorsement by ET in DATEXX.
• In line with the Enterprise Agreement, should the proposal to relocate to Marsfield be supported
affected staff will received written notice three-months prior to the proposed move date, so in this case
before September 2025.
• The ABW team is cognisant of the specific needs of Data61 and how we work, with the generic
ABW space able to accommodate this.
83
APPENDIX C2: FORMAL CONSULTATION - EVELEIGH
Email: OLD – Invite to EveleighTownhal
BRIEF DETAILS
Name and area s22
Project Sponsor
of business
Purpose
SPONSOR to Eveleigh staff cc. al Sydney Staff re. Eveleigh Townhal and
commencement of formal consultation
Send date
Sender
s22
Reviewers
s22
Final approval
s22
Suggested
All Eveleigh staff
Cc
distribution:
s22
Subject line
Eveleigh Townhal
Dear Colleagues
84
Please join me Jon Whittle, Gail Fulton and Fiona Rothwell for an Eveleigh Townhall where and we will
provide an update on CSIRO’s Sydney Consolidation Project and open the floor to any questions, feedback
or concerns you may have, with a particular focus on the impacts to our Eveleigh people.
More information will be available as we update th
e Sydney Consolidation Project page and
FAQs as the
projects progress. In the meantime, please continue to send your questions, and feedback to
xxxxxxxxxxxxxxxx@xxxxx.xx to be considered as part of the consultation process.
Regards
s22
85
Talking Points for Eveleigh Townhall
s22
Slide 2
• Acknowledgement of country.
• Thank you to all who took the time to provide feedback in the early consultation period. Originally we
had hoped to commence formal consultation earlier, however due to the extensive feedback received
we required additional time to explore differing options to inform the revised proposal.
Slide 3
We continue to consider our Sydney footprint as part of the broader CSIRO property strategy with a
view to consolidating our presence, where feasible, to meet our research priorities. One of the key
driving factors is to ensure CSIRO’s ongoing financial sustainability.
• We have six CSIRO sites in Sydney – Eveleigh, Lindfield, Lucas Heights, Marsfield, North Ryde, and
Westmead (1Q and REN buildings).
• As I mentioned in November at our last townhall. Some decisions have already been made:
o In October 2024, the CSIRO Chief Executive advised the Bradfield Development Authority of our
intention to withdraw from the proposal for a CSIRO consolidation to Bradfield in any capacity,
noting that Infratech / Fire Testing is still under consideration.
o On 15 May 2024 the CSIRO Board resolved to transfer the title of CSIRO’s Lindfield site to the
Department of Industry, Science and Resources (DISR). CSIRO has committed to significantly
reducing its footprint at Lindfield by June 2025 and have resolved to exit the site in entirety by
2029.
o In September 2024, ET endorsed the recommendation that Marsfield become our primary
Sydney site
o Our Eveleigh site is approaching lease expiry in 2026. Our site utilisation rates have remained
relatively stable across the portfolio over the last two-years (noting the expected dip in
December and January due to the summer holidays). Eveleigh remains is significantly
underutilised (18%), compared to CSIRO’s average utilisation rate of 51%.
Slide 4
In line with the Enterprise Agreement, we completed two weeks of early engagement on 26
November 2024.
Since then, we have been working through the extensive feedback received and have
undertaken additional investigations to inform the following revised proposal that was
endorsed by the Executive Team at our February meeting.
Today we commence a period of formal consultation
Due to the complexity of this program of work, and differing timeframe and requirements, we
have split the formal consultation into two streams:
3. Eveleigh, and
4. Lindfield stage 1 relocation
All staff are welcome to participate in both consultation periods should they wish to.
These formal consultation periods will run for four weeks until
XXDATE.
At the conclusion of this period your feedback will be reviewed.
86
The outcomes of this process wil inform the recommendation to the Executive Team for
decision in
MARCH/APRIL. As mentioned previously we wil share with you the outcomes from the consultation process.
• We understand that there is a lot of change happening at CSIRO right now, it’s worth noting that this
proposal is separate to ES reform processes currently underway.
• I will now hand over to Fiona to go through the proposal in further detail.
s22
refer presentation):
Slides 5-13: Notes in presentation
Key points:
Proposal for Consultation:
• As s22 mentioned, ET at their February meeting endorsed the revised proposal, for Marsfield become
our primary Sydney site, and to commence formal engagement with our people over consolidating our
Sydney footprint to Marsfield. Due to the complexities of this project the formal consultation will run
concurrently in two streams: Eveleigh and Lindfield.
For Eveleigh
• A full
exit from Eveleigh during December 2025, relocating staff to an ABW environment at Marsfield
(noting Eveleigh’s lease expiry in June 2026 – we do not have to give 12months notice, but we said we
would as a courtesy)
For our Lindfield people:
• All ES staff will be relocated to a generic ABW environment at Marsfield during December 2025.
• And just for completeness for Lindfield stage 2 – it is the full exit of all capability by December 2029 is
NOT part of this formal consultation process. Additional planning work is currently underway with RU
Directors and Leaders and a separate process wil be undertaken in due course.
For Marsfield
• For staff at Marsfield, there will be increased numbers at the site which will hopefully enhance
collaboration opportunities and contribute to site vibrancy. The space to be refurbished at Marsfield –
which wil be completed regardless of outcomes of consultation to enable greater efficiency in our
work spaces at Marsfield - will also accommodate staff already occupying the space and there will be
some short term impact as we undertake the works.
Other sites
o There are no current planned changes to Lucas Heights
o At this stage, we are also not factoring in a move of Infratech capability from North Ryde to
Marsfield.
o The future of our Westmead site is under review and wil be considered in future.
Process for Consultation/Next Steps
87
• In line with the Enterprise Agreement, today (XXDATE) we commence a period of formal consultation
on the proposal for Marsfield becoming our primary Sydney site, to relocate Lindfield ES staff and
Eveleigh staff to a generic ABW environment at Marsfield during December 2025. 30 June 2025.
• This period of formal consultation will run until
XXDATE. • Once the period of formal consultation has concluded, CSIRO will review the feedback received from
staff and unions and develop a recommendation for endorsement by ET in DATEXX.
• In line with the Enterprise Agreement, should the proposal to relocate to Marsfield be supported
affected staff wil received written notice three-months prior to the proposed move date, so in this case
before September 2025.
Notes fors22
– Data 61
• This provides Data 61 the opportunity to co-locate with colleagues based at Marsfield.
• With current occupancy at Eveleigh so low, the move to Marsfield supports us increasing site vibrancy.
• The move also provides Data 61 with the opportunity to move to an ABW environment, consistent with
Clayton site.
• Our future plan is to have all our people working in an ABW environment to provide consistency and
the ability to work across different site seamless.
• The ABW team is cognisant of the specific needs of Data61 and how we work, with the ABW space able
to accommodate this, as it has done at Clayton.
Notes for s22
– Science Connect
• While this move takes us away from the CBD, it presents an opportunity for the team to enhance our
stakeholder engagement in a more location-agnostic and accessible way.
• Due to the strength of our brand, reputation and established networks the Executive’s view is that the
relocation will not impact our engagement with stakeholders with many of our Marsfield colleagues
maintaining strong industry connections and student engagement already.
A move into an ABW environment supports the flexible way that we work.
88
APPENDIX C3: FORMAL CONSULTATION – MARSFIELD
89
90
APPENDIX D1: MYCSIRO PAGES – FORMAL CONSULTATION
Publish post townhal
Pages:
Sydney Consolidation Project - MyCSIRO (changes tracked)
About our Sydney footprint
Our Sydney footprint currently consists of six sites – Lindfield, Marsfield, North Ryde, Eveleigh, Westmead
and Lucas Heights. Our Sydney people predominantly work across our Data61, Space & Astronomy,
Manufacturing and Science Connect research units.
To help you find the information you need about the Sydney Consolidation Project, we have moved all
individual Sydney MyCSIRO pages into one area. We wil be updating these regularly.
Why are we reviewing our property footprint?
To accommodate all our people, CSIRO aspires to provide adaptive, modular workspaces at work, and work
from home packages for those who choose to work from home. Where suitable, we are applying
activity-
based working principles across the organisation as a national approach to optimise our sites.
The way we work at CSIRO has changed over the last few years, with many of us welcoming the flexibility of
working from home and coming to site when necessary, in what we now know to be hybrid working. This
has resulted in some of our sites being greatly underutilised.
Much of the floor space across our Sydney locations, for example, is not being used due to many of our
people choosing flexibility. Our operating costs for sites are too high relative to people attending in person,
and this is unsustainable in the long term.
The property activities proposed for Sydney are being driven by the goals o
f CSIRO’s Property Strategy
2019-2029. This strategy has the endorsement of our Executive Team and our Board, providing the
framework, process and governance to prioritise our infrastructure planning based on delivering on the
priorities and projections identified by research units. This is a national approach.
Our property footprint is continuously reviewed to ensure CSIRO’s facilities are the best fit for our science,
and our organisation remains agile, financially stable, safe, and capable of achieving its long-term goals in
research and innovation.
The Sydney Consolidation Project has been an active program of work since 2019. This project has
progressed significantly over recent months, due to:
• the recent decision to not pursue Bradfield as an option
• the Board’s decision to transfer Lindfield’s title to the Department of Industry, Science and
Resources (DISR)
• a review of the ongoing financial sustainability of Sydney’s broader property footprint, including
investigation into site utilisation rates indicating an underutilisation of our Sydney sites, and
• our Executive Team's endorsement of the recommendation to make Marsfield our key Sydney site,
consolidating our Eveleigh and Lindfield sites to Marsfield
Accordingly, as of 12 November, we commenced a period of early engagement with our Sydney people
over the proposal to make Marsfield our key Sydney site, with the plan to exit Eveleigh by June 2025, and
for all desk-based staff to exit Lindfield by June 2025 into an activity-based working (ABW) environment in
Q wing of Building 001 at Marsfield. With a full exit of CSIRO from Lindfield during December 2029. Work is
underway to explore potential new laboratory facilities at Marsfield are required, including the potential
for a new build.
91
Considerable feedback was received informing the development of the final proposal. In doing this we
looked at a number of configurations to retain a Sydney CBD presence. Including considerations of
proximity to public transport, our environmental footprint, and access for students and collaborators,
driven by research needs. Ultimately, none of the alternative options available were assessed to be
financially sustainable.
Consolidating our footprint to improve efficiency and ensure a portfolio that is fit-for-purpose is part of the
property strategy, as is building facilities to the modern standards appropriate for a national science
agency.
What is being proposed?
The proposal for formal consultation is in three parts.
1. To make Marsfield our key Sydney site, consolidating our Sydney footprint to Marsfield (excluding
Westmead, Lucas Heights and North Ryde)
2. Lindfield stage 1 – for our ES people to relocate to the purpose built ABW Environment at Marsfield
during December 2025. Noting that we are required to consolidate our existing footprint at
Lindfield by 30 June 2025
3. A full exit from Eveleigh during December 2025, relocating staff to an ABW environment at
Marsfield (noting Eveleigh’s lease expiry in June 2026, which wil not be renewed)
Consolidating our footprint to improve efficiency and ensure a portfolio that is fit-for-purpose is part of
CSIRO’s property strategy, as is ensuring our facilities are built to the modern standards appropriate for a
national science agency.
We are proposing to move our Sydney people onto a smaller number of refurbished or refreshed sites.
Improving our site utilisation is a key factor, and so is creating more opportunities to collaborate on fewer,
more vibrant sites.
For staff at Marsfield, there will be increased numbers at the site, which in turn may enhance collaboration
opportunities and contribute to site vibrancy. The space earmarked for refurbishment at Marsfield will be
completed regardless of outcomes of consultation to enable greater efficiency in our workspaces at
Marsfield. The refurbishment will also accommodate staff already occupying the space and there will be
some short-term impacts as the project team undertake the works.
• At this stage There are no current planned changes to Lucas Heights.
• , We are also not factoring in a move of Infratech capability from North Ryde to Marsfield.
• The future of our Westmead site is under review and wil be considered in future.
Our Executive Team has endorsed a recommendation to commence formal consultation with our Sydney
people to consolidate our Sydney footprint to Marsfield. This would bring everyone from our Eveleigh and
Lindfield sites to the Marsfield site (this current proposal does not affect those at Westmead, North Ryde
and Lucas Heights).
Town Hall presentations
Slides from the Town Hall [pdf · 4mb] on Tuesday 12 November 2024
Slides from the Lindfield Town Hall on
Slides from the Eveleigh Town Hall on…
When wil this happen?
This activity will occur across two stages:
By 30 June 2025
92
Lindfield: All desk-based staff from Lindfield will be consolidated at Lindfield to enable us to meet our
commitment to DISR and hand over approximately half of our current Lindfield footprint.
Marsfield: Occupants in P & Q wing will be relocated to new accommodations on site to enable building
works to commence.
During December 2025
Eveleigh: Al staff from Eveleigh to exit relocating to the ABW environment at Marsfield.
Lindfield: All EU and RU desk-based staff (excluding Manufacturing, Minerals and Energy) to exit relocating
to the ABW environment at Marsfield.
Marsfield: For displaced people at each of our sites, the proposals are as follows:
• , There wil be increased numbers at the site, which in turn may enhance col aboration opportunities
and contribute to site vibrancy. The space earmarked for refurbishment at Marsfield wil be
completed regardless of outcomes of consultation to enable greater efficiency in our workspaces at
Marsfield. The refurbishment wil also accommodate staff already occupying the space and there wil
be some short-term impacts as the project team undertake the works.
• There are no current planned changes to Lucas Heights.
• At this stage, we are also not factoring in a move of Infratech capability from North Ryde to
Marsfield.
• The future of our Westmead site is under review and wil be considered in future.
In line with the Enterprise Agreement, we wil commence formal consultation with all Sydney staff on
XXDATE running until XXDATE. Staff are encouraged to provide feedback and seek clarification during by
emailing
xxxxxxxxxxxxxxxx@xxxxx.xx.
Due to the complexities of the Sydney Consolidation Project and differing timeframe and requirements, we
have split the formal consultation process into two streams:
1. Lindfield stage 1
2. Eveleigh
We welcome you to participate in both consultation periods.
At the conclusion of the consultation process the outcomes of these discussions and al feedback received
wil inform the recommendations put to the Executive Team to enable them to make an informed decision
on the proposal.
Lindfield Stage 2: The relocation of Lindfield laboratory and workshop capability and remaining staff to
purpose built facilities at Marsfield by December 2029.
Separately, we propose a later relocation of our Lindfield laboratory and workshop capability, and
associated teams, to purpose-built facilities at Marsfield. This is proposed to happen by December 2029. A
dedicated consultation process wil be undertaken in due course for this phase of the proposed relocations.
We value your feedback
We’l continue to update this page and add to our
frequently asked questions as they come through
following on from the Town Hall with our Sydney base.
Your feedback is welcome on the proposal. Please send your comments or questions to the Property
Strategy team a
t xxxxxxxxxxxxxxxx@xxxxx.xx.
Resources available to navigating workplace change
We appreciate this may be a difficult time for you and this update may create uncertainty. Please look after
yourself and each other.
93